ELBE Domine 23"
Comercial Radio Bertrán; Electrónica Bertrán; ELBE; Barcelona
- Country
- Spain
- Manufacturer / Brand
- Comercial Radio Bertrán; Electrónica Bertrán; ELBE; Barcelona
- Year
- 1969 ??
- Category
- Television Receiver (TV) or Monitor
- Radiomuseum.org ID
- 320231
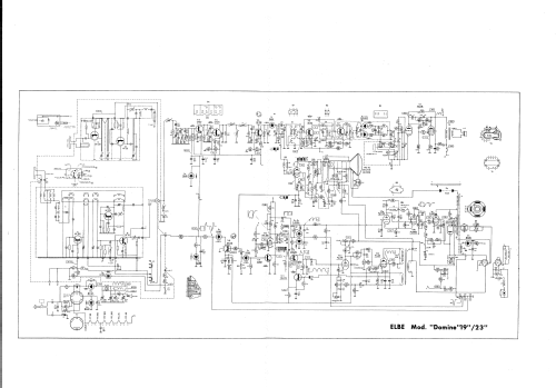
Click on the schematic thumbnail to request the schematic as a free document.
- Number of Tubes
- 7
- Number of Transistors
- 14
- Semiconductors
- AF239 AF139 BF200 BF235 BF115 SF167 SF173 BF208 SF115 SF115 AF118 SC107 2N4291 2N4291 BY127 BY127 AA130 OA90 OA90 1N542 1N542 OA85 OA85 1N914 1N914 BYX10 TV18
- Main principle
- Superhet with RF-stage; 2 AF stage(s)
- Wave bands
- VHF incl. FM and/or UHF (see notes for details)
- Power type and voltage
- Alternating Current supply (AC) / 125; 220 Volt
- Loudspeaker
- Permanent Magnet Dynamic (PDyn) Loudspeaker (moving coil) - elliptical
- Power out
- 4 W (undistorted)
- Material
- Wooden case
- from Radiomuseum.org
- Model: ELBE Domine 23" - Comercial Radio Bertrán;
- Shape
- Tablemodel, low profile (big size).
- Notes
-
ELBE Domine
TV B/N 23" Selector rotativo de VHF y sintonizador de UHF a transistores.
Altavoz elíptico de 5" x 7"
- Mentioned in
- Esquemario TV REDE, Tomo VI, 1970
- Author
- Model page created by Jose Cal Garcia. See "Data change" for further contributors.
- Other Models
-
Here you find 284 models, 120 with images and 84 with schematics for wireless sets etc. In French: TSF for Télégraphie sans fil.
All listed radios etc. from Comercial Radio Bertrán; Electrónica Bertrán; ELBE; Barcelona