11-208BU Ch= 333
Crosley Radio Corp.; Cincinnati (OH)
- Produttore / Marca
- Crosley Radio Corp.; Cincinnati (OH)
- Anno
- 1951 ?
- Categoria
- Radio (o sintonizzatore del dopoguerra WW2)
- Radiomuseum.org ID
- 36172
Clicca sulla miniatura dello schema per richiederlo come documento gratuito.
- Numero di tubi
- 8
- Principio generale
- Supereterodina (in generale); ZF/IF 455 kHz; 2 Stadi BF
- N. di circuiti accordati
- 7 Circuiti Mod. Amp. (AM)
- Gamme d'onda
- Solo onde medie (OM).
- Particolarità
- Giradischi o cambiadischi
- Tensioni di funzionamento
- Alimentazione a corrente alternata (CA) / 60 Hz, 117V = 110 -120 Volt
- Altoparlante
- AP magnetodinamico (magnete permanente e bobina mobile) / Ø 10 inch = 25.4 cm
- Materiali
- Mobile in legno
- Radiomuseum.org
- Modello: 11-208BU Ch= 333 - Crosley Radio Corp.;
- Forma
- Console di qualsiasi tipo
- Annotazioni
-
Color=blond
Crosley model 11-208BU is an AC operated combination phono-radio, superheterodyne receiver with loop antenna. Color=blond.
- Fonte esterna dei dati
- Ernst Erb
- Fonte dei dati
- The Radio Collector's Directory and Price Guide 1921 - 1965
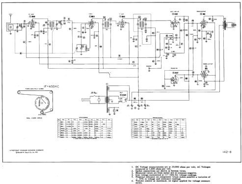
- Riferimenti schemi
- Rider's Perpetual, Volume 22, covering 1951
- Letteratura / Schemi (1)
- Photofact Folder, Howard W. SAMS (Date 8-51, Set 142, Folder 6)
- Altri modelli
-
In questo link sono elencati 1813 modelli, di cui 1053 con immagini e 1306 con schemi.
Elenco delle radio e altri apparecchi della Crosley Radio Corp.; Cincinnati (OH)