DC-12M Ch= 493
Crosley Radio Corp.; Cincinnati (OH)
- Country
- United States of America (USA)
- Manufacturer / Brand
- Crosley Radio Corp.; Cincinnati (OH)
- Year
- 1957 ?
- Category
- Television Receiver (TV) or Monitor
- Radiomuseum.org ID
- 312414
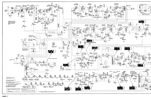
Click on the schematic thumbnail to request the schematic as a free document.
- Number of Tubes
- 17
- Valves / Tubes
- 4BQ7A 5BR8 3BZ6 3BZ6 3CB6 12BY7A 5CM8 3BN6 12BK5 3CS6 6CS7 6CN7 6CG7 12DQ6A 12AX4GTA 1X2A 21ATP4
- Main principle
- Superhet with RF-stage
- Wave bands
- Wave Bands given in the notes.
- Power type and voltage
- Alternating Current supply (AC) / 60 Hz, 117V = 110 -120 Volt
- Loudspeaker
- Permanent Magnet Dynamic (PDyn) Loudspeaker (moving coil)
- Material
- Wooden case
- from Radiomuseum.org
- Model: DC-12M Ch= 493 - Crosley Radio Corp.;
- Shape
- Console, Lowboy (legs < 50 %).
- Notes
-
Crosley model DC-12M is a 21" b/w TV with US standard VHF tuner channels 2 thru 13. Equipped with chassis 493, VHF tuner 172649-1 and picture tube 21ATP4.
- Literature/Schematics (1)
- Photofact Folder, Howard W. SAMS (Set 366 Folder 2 dated 8-57)
- Author
- Model page created by Dirk Taekels. See "Data change" for further contributors.
- Other Models
-
Here you find 1813 models, 1053 with images and 1306 with schematics for wireless sets etc. In French: TSF for Télégraphie sans fil.
All listed radios etc. from Crosley Radio Corp.; Cincinnati (OH)