EU-21COLd Ch= 386
Crosley Vacuum Products Corp., Cincinnati, Ohio
- Produttore / Marca
- Crosley Vacuum Products Corp., Cincinnati, Ohio
- Anno
- 1953 ?
- Categoria
- Televisore (TV) / Monitor
- Radiomuseum.org ID
- 361026
Clicca sulla miniatura dello schema per richiederlo come documento gratuito.
- Numero di tubi
- 18
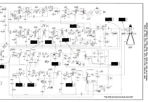
- Valvole
- 6BC5 6J6 6CB6 6CB6 6CB6 6AH6 6AU6 6AL5 6C4 6W6GT 6SN7GT 12BH7 6AL5 6SN7GT 6BQ6GT 6AX4GT 1B3GT 21FP4A
- Principio generale
- Supereterodina con stadio RF
- Gamme d'onda
- Gamme d'onda nelle note.
- Tensioni di funzionamento
- Alimentazione a corrente alternata (CA) / 60 Hz, 117V = 110 -120 Volt
- Altoparlante
- AP magnetodinamico (magnete permanente e bobina mobile) / Ø 10 inch = 25.4 cm
- Materiali
- Mobile in legno
- Radiomuseum.org
- Modello: EU-21COLd Ch= 386 - Crosley Vacuum Products Corp.,
- Forma
- Console di qualsiasi tipo
- Annotazioni
-
Crosley model EU-21COLd is a 21” b/w TV with US standard VHF tuner channels 2 thru 13. Equipped with chassis 386, VHF tuner 154116 and picture tube 21FP4A.
- Letteratura / Schemi (1)
- Photofact Folder, Howard W. SAMS (Set 193, folder 3, dated 2-53)
- Autore
- Modello inviato da Dirk Taekels. Utilizzare "Proponi modifica" per inviare ulteriori dati.
- Altri modelli
-
In questo link sono elencati 11 modelli, di cui 2 con immagini e 11 con schemi.
Elenco delle radio e altri apparecchi della Crosley Vacuum Products Corp., Cincinnati, Ohio