EU-21COLe Ch= 387
Crosley Vacuum Products Corp., Cincinnati, Ohio
- Land
- USA
- Hersteller / Marke
- Crosley Vacuum Products Corp., Cincinnati, Ohio
- Jahr
- 1953 ?
- Kategorie
- Fernseh-Empfänger/Monitor
- Radiomuseum.org ID
- 361027
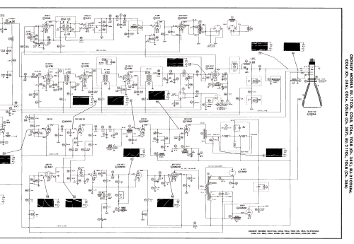
Klicken Sie auf den Schaltplanausschnitt, um diesen kostenlos als Dokument anzufordern.
- Anzahl Röhren
- 18
- Röhren
- 6BC5 6J6 6CB6 6CB6 6CB6 6AH6 6AU6 6AL5 6C4 6W6GT 6SN7GT 12BH7 6AL5 6SN7GT 6BQ6GT 6AX4GT 1B3GT 21FP4A
- Hauptprinzip
- Super mit HF-Vorstufe
- Wellenbereiche
- Wellen in den Bemerkungen.
- Betriebsart / Volt
- Wechselstromspeisung / 60 Hz, 117V = 110 -120 Volt
- Lautsprecher
- Dynamischer LS, keine Erregerspule (permanentdynamisch) / Ø 10 inch = 25.4 cm
- Material
- Gerät mit Holzgehäuse
- von Radiomuseum.org
- Modell: EU-21COLe Ch= 387 - Crosley Vacuum Products Corp.,
- Form
- Standgerät: allgemein.
- Bemerkung
-
Crosley model EU-21COLe is a 21” b/w TV with US standard VHF tuner channels 2 thru 13. Equipped with chassis 387, VHF tuner 154116 and picture tube 21FP4A.
- Literatur/Schema (1)
- Photofact Folder, Howard W. SAMS (Set 193, folder 3, dated 2-53)
- Autor
- Modellseite von Dirk Taekels angelegt. Siehe bei "Änderungsvorschlag" für weitere Mitarbeit.
- Weitere Modelle
-
Hier finden Sie 11 Modelle, davon 2 mit Bildern und 11 mit Schaltbildern.
Alle gelisteten Radios usw. von Crosley Vacuum Products Corp., Cincinnati, Ohio