Regler Tevere
DBR (D.B.R.); Vimodrone (MI)
- Country
- Italy
- Manufacturer / Brand
- DBR (D.B.R.); Vimodrone (MI)
- Year
- 1965 ??
- Category
- Broadcast Receiver - or past WW2 Tuner
- Radiomuseum.org ID
- 255498
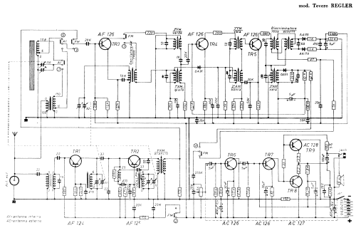
Click on the schematic thumbnail to request the schematic as a free document.
- Number of Transistors
- 9
- Main principle
- Superheterodyne (common)
- Wave bands
- Broadcast (BC) and FM or UHF.
- Power type and voltage
- Dry Batteries / 6 x 1,5 Volt
- Loudspeaker
- Permanent Magnet Dynamic (PDyn) Loudspeaker (moving coil)
- Material
- Plastics (no bakelite or catalin)
- from Radiomuseum.org
- Model: Regler Tevere - DBR D.B.R.; Vimodrone MI
- Shape
- Portable set > 8 inch (also usable without mains)
- Dimensions (WHD)
- 200 x 120 x 45 mm / 7.9 x 4.7 x 1.8 inch
- Mentioned in
- -- Schematic (Schemario Radio Autoradio Mangianastri edizioni "Il Rostro" marzo 1971.)
- Author
- Model page created by a member from A. See "Data change" for further contributors.
- Other Models
-
Here you find 68 models, 59 with images and 25 with schematics for wireless sets etc. In French: TSF for Télégraphie sans fil.
All listed radios etc. from DBR (D.B.R.); Vimodrone (MI)