• Année
  • 1943/1944
  • Catégorie
  • Radio - ou tuner d'après la guerre 1939-45
  • Radiomuseum.org ID
  • 11882

Cliquez sur la vignette du schéma pour le demander en tant que document gratuit.

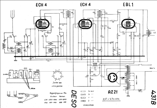
 Spécifications techniques

  • No. de tubes
  • 4
  • Principe général
  • Super hétérodyne (en général); FI/IF 470 kHz
  • Circuits accordés
  • 6 Circuits MA (AM)
  • Gammes d'ondes
  • PO et OC
  • Tension / type courant
  • Alimentation Courant Alternatif (CA) / 110-250 Volt
  • Haut-parleur
  • HP dynamique à électro-aimant (électrodynamique) / Ø 17 cm = 6.7 inch
  • Matière
  • Boitier en bois
  • De Radiomuseum.org
  • Modèle: 431B - Deso, Dewald & Sohn, Dewald AG
  • Dimensions (LHP)
  • 475 x 280 x 205 mm / 18.7 x 11 x 8.1 inch
  • Poids net
  • 8.8 kg / 19 lb 6.1 oz (19.383 lb)
  • Prix de mise sur le marché
  • 375.00 SFr
  • Source extérieure
  • E. Erb 3-907007-36-0
  • Source
  • Radiokatalog Band 2, Ernst Erb
  • Source du schéma
  • Thali-Schemasammlung und Tungsram-Röhrenbestückung.
  • Index des illustrations
  • Das Modell ist im «Radiokatalog» (Erb) abgebildet.

 Collections | Musées | Littérature

Collections

Le modèle fait partie des collections des membres suivants.

Musées

Le modèle peut être vu dans les musées suivants.

 Forum