- Produttore / Marca
- Detrola; Detroit (MI)
- Anno
- 1937 ?
- Categoria
- Radio (o sintonizzatore del dopoguerra WW2)
- Radiomuseum.org ID
- 37166
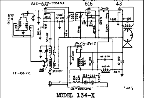
Clicca sulla miniatura dello schema per richiederlo come documento gratuito.
- Numero di tubi
- 4
- Principio generale
- Supereterodina (in generale); ZF/IF 456 kHz; 1 Stadi BF
- Gamme d'onda
- Onde medie (OM) e corte (OC).
- Tensioni di funzionamento
- Alimentazione universale (doppia: CC/CA)
- Altoparlante
- AP elettrodinamico (bobina mobile e bobina di eccitazione/di campo)
- Radiomuseum.org
- Modello: 134X - Detrola; Detroit MI
- Fonte esterna dei dati
- Ernst Erb
- Riferimenti schemi
- Rider's Perpetual, Volume 8 = 1937 and before
- Altri modelli
-
In questo link sono elencati 334 modelli, di cui 195 con immagini e 291 con schemi.
Elenco delle radio e altri apparecchi della Detrola; Detroit (MI)