- Produttore / Marca
- DeWald Radio Mfg. Corp., Pierce Airo Inc.
- Anno
- 1950
- Categoria
- Radio (o sintonizzatore del dopoguerra WW2)
- Radiomuseum.org ID
- 37745
-
- Brand: Pierce Airo
Clicca sulla miniatura dello schema per richiederlo come documento gratuito.
- Numero di tubi
- 4
- Principio generale
- Supereterodina (in generale); ZF/IF 455 kHz; 2 Stadi BF
- N. di circuiti accordati
- 6 Circuiti Mod. Amp. (AM)
- Gamme d'onda
- Onde medie (OM) e 2 gamme di onde corte (2 x OC).
- Tensioni di funzionamento
- Rete / Batterie (ogni tipo) / 105-125 or 220 / 90; 9 Volt
- Altoparlante
- AP magnetodinamico (magnete permanente e bobina mobile) / Ø 5 inch = 12.7 cm
- Materiali
- Pelle / stoffa / plastica ma con altro materiale sottostante
- Radiomuseum.org
- Modello: D-508 - DeWald Radio Mfg. Corp.,
- Forma
- Apparecchio portatile > 20 cm (senza la necessità di una rete)
- Dimensioni (LxAxP)
- 320 x 240 x 150 mm / 12.6 x 9.4 x 5.9 inch
- Annotazioni
- With Resistor cord 210-240 Volts. Up to now we believe that model D-508 and D-508A is the same - just a shorter writing. NOrmally in the plan you find D-508 and on the plate D-508A. On the schematic (D-508) the model(s) show BC 540-177 Kc, Band 1 16.7 to 5.3 Mc and Band 2 5.5 to 1.9 Mc. Please add your remarks if you come accross of any differenciation. Since there still may be found differences we leave the new model D-508A and don't delete it as a doublette.
- Fonte esterna dei dati
- Ernst Erb
- Fonte dei dati
- Collector's Guide to Antique Radios 4. Edition
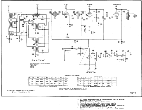
- Riferimenti schemi
- Rider's Perpetual, Volume 21, Copyright 1950
- Bibliografia
- The Radio Collector's Directory and Price Guide 1921 - 1965 (Beitman Radio Diagrams 1950)
- Letteratura / Schemi (1)
- Photofact Folder, Howard W. SAMS (Date 9-50, Set 106, Folder 5)
- Altri modelli
-
In questo link sono elencati 452 modelli, di cui 198 con immagini e 353 con schemi.
Elenco delle radio e altri apparecchi della DeWald Radio Mfg. Corp., Pierce Airo Inc.