- Produttore / Marca
- DeWald Radio Mfg. Corp., Pierce Airo Inc.
- Anno
- 1951 ?
- Categoria
- Televisore (TV) / Monitor
- Radiomuseum.org ID
- 343575
-
- Brand: Pierce Airo
Clicca sulla miniatura dello schema per richiederlo come documento gratuito.
- Numero di tubi
- 20
- Valvole
- 6CB6 or 6BC5 or 6AG5 6J6 6CB6 6CB6 6CB6 6AL5 6AH6 12AU7 6AU6 6T8 6V6GT 6J5 6V6GT 6AL5 6SN7GT 6BG6 6W4GT 1B3GT 5U4G 17BP4A
- Principio generale
- Supereterodina con stadio RF
- Gamme d'onda
- Gamme d'onda nelle note.
- Tensioni di funzionamento
- Alimentazione a corrente alternata (CA) / 117V = 110 -120 Volt
- Altoparlante
- AP magnetodinamico (magnete permanente e bobina mobile)
- Materiali
- Mobile in legno
- Radiomuseum.org
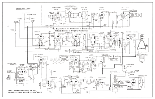
- Modello: DT-163R - DeWald Radio Mfg. Corp.,
- Forma
- Soprammobile con qualsiasi forma (non saputo).
- Annotazioni
-
Dewald model DT-163R is a 17” b/w TV with US standard VHF tuner channels 2 thru 13.
Equipped with VHF-tuner 7023B-1 and picture tube 17BP4A.
- Letteratura / Schemi (1)
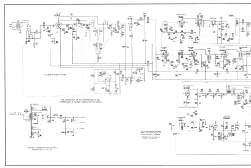
- Photofact Folder, Howard W. SAMS (Set 123 folder 1A dated 2-51)
- Letteratura / Schemi (2)
- Photofact Folder, Howard W. SAMS (Set 136, folder 7, dated 6-51)
- Letteratura / Schemi (3)
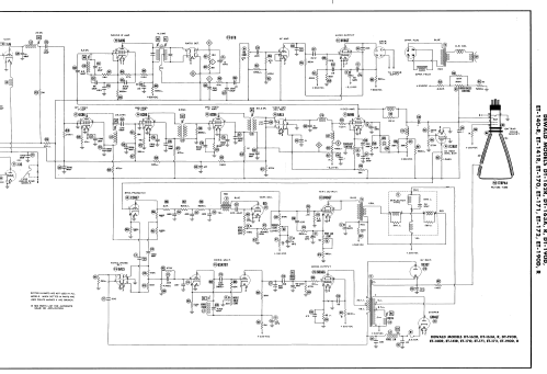
- Photofact Folder, Howard W. SAMS (Set 192, folder 1, dated 1-53)
- Autore
- Modello inviato da Dirk Taekels. Utilizzare "Proponi modifica" per inviare ulteriori dati.
- Altri modelli
-
In questo link sono elencati 452 modelli, di cui 198 con immagini e 353 con schemi.
Elenco delle radio e altri apparecchi della DeWald Radio Mfg. Corp., Pierce Airo Inc.