- Country
- United States of America (USA)
- Manufacturer / Brand
- DeWald Radio Mfg. Corp., Pierce Airo Inc.
- Year
- 1939
- Category
- Broadcast Receiver - or past WW2 Tuner
- Radiomuseum.org ID
- 37486
-
- Brand: Pierce Airo
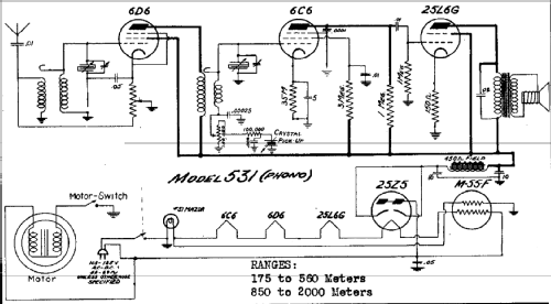
Click on the schematic thumbnail to request the schematic as a free document.
- Number of Tubes
- 4
- Main principle
- TRF without regeneration; 1 AF stage(s)
- Tuned circuits
- 2 AM circuit(s)
- Wave bands
- Broadcast only (MW).
- Details
- Record Player (perh.Changer)
- Power type and voltage
- AC/DC-set / 105-125 Volt
- Loudspeaker
- Electro Magnetic Dynamic LS (moving-coil with field excitation coil)
- Material
- Wooden case
- from Radiomuseum.org
- Model: 531 [Phono] - DeWald Radio Mfg. Corp.,
- Shape
- Tablemodel, low profile (big size).
- Notes
- BC (535-1715kHz) band.
- External source of data
- Ernst Erb
- Source of data
- Collector's Guide to Antique Radios 4. Edition
- Circuit diagram reference
- Rider's Perpetual, Volume 10 = 1939 and before
- Mentioned in
- Table Top Radios Vol. 4 Stein 2003
- Other Models
-
Here you find 452 models, 198 with images and 353 with schematics for wireless sets etc. In French: TSF for Télégraphie sans fil.
All listed radios etc. from DeWald Radio Mfg. Corp., Pierce Airo Inc.