- Country
- United States of America (USA)
- Manufacturer / Brand
- Drake Company, R. L.; Miamisburg, Ohio
- Year
- 1966–1974
- Category
- Amateur-Receiver (amateur bands, may include broadcast bands)
- Radiomuseum.org ID
- 91694
Click on the schematic thumbnail to request the schematic as a free document.
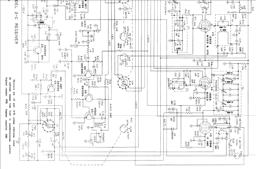
- Number of Tubes
- 5
- Number of Transistors
- 7
- Semiconductors
- Main principle
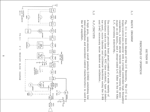
- Superhet, double/triple conversion; ZF/IF 3500/455 kHz
- Wave bands
- Short Wave (SW only)
- Power type and voltage
- Alternating Current supply (AC) / 120 Volt
- Loudspeaker
- - For headphones or amp.
- Power out
- 1.8 W (unknown quality)
- Material
- Metal case
- from Radiomuseum.org
- Model: 2-C - Drake Company, R. L.;
- Shape
- Tablemodel, with any shape - general.
- Dimensions (WHD)
- 289 x 162 x 239 mm / 11.4 x 6.4 x 9.4 inch
- Notes
- covers 80 - 10 m ham bands and 1 additional 500 kHz segment out of 3 - 30 MHz, AM, LSB/USB;
optional 2-CS speaker or 2-CQ Q-multiplier/speaker, optional 2-AC 100 kHz crystal calibrator, 2-NB noise blanker and 2-LF LF-converter. Matches the 2-NT transmitter.
- Net weight (2.2 lb = 1 kg)
- 6.1 kg / 13 lb 7 oz (13.436 lb)
- Price in first year of sale
- 229.00 $
- Source of data
- Communications Receivers
- Mentioned in
- Shortwave Receivers - Past & Present (3rd ed.)
- Author
- Model page created by Martin Bösch. See "Data change" for further contributors.
- Other Models
-
Here you find 154 models, 100 with images and 61 with schematics for wireless sets etc. In French: TSF for Télégraphie sans fil.
All listed radios etc. from Drake Company, R. L.; Miamisburg, Ohio