- Hersteller / Marke
- Dual, Gebr. Steidinger; St. Georgen/Schwarzwald
- Jahr
- 1977/1978
- Kategorie
- NF-(Niederfrequenz-) Verstärker oder -Mixer
- Radiomuseum.org ID
- 124231
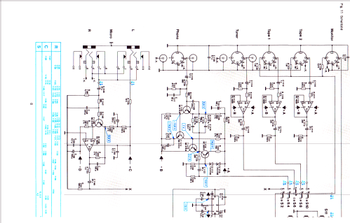
Klicken Sie auf den Schaltplanausschnitt, um diesen kostenlos als Dokument anzufordern.
- Anzahl Transistoren
- 40
- Halbleiter
- Hauptprinzip
- NF-Verstärkung
- Wellenbereiche
- - ohne
- Betriebsart / Volt
- Wechselstromspeisung / 110; 117; 220; 240 Volt
- Lautsprecher
- - Dieses Modell benötigt externe(n) Lautsprecher.
- Material
- Metallausführung
Die GFGF Zeitschrift Funkgeschichte bringt interessante Artikel zu Radios, Funkwesen und Medien. Bei Radiomuseum.org finden Sie die vollständigen Hefte früherer Ausgaben als PDF zum Download.
- von Radiomuseum.org
- Modell: CV1400MB - Dual, Gebr. Steidinger; St.
- Form
- Regalgerät wie HiFi-Komponente für Bücherwand.
- Abmessungen (BHT)
- 440 x 145 x 355 mm / 17.3 x 5.7 x 14 inch
- Bemerkung
- ICs: 11.
HiFi-Stereo-Verstärker mit 2 Endstufen je 50 W (Sinus); Übertragungsbereich: 10···30000 Hz.
Konsole anthrazit, Frontblende metallic-braun. Siehe auch CV1400 mit metallic Frontblende.
- Nettogewicht
- 11.2 kg / 24 lb 10.7 oz (24.67 lb)
- Originalpreis
- 678.00 DM
- Datenherkunft
- Handbuch VDRG 1977/1978
- Autor
- Modellseite von Bernd P. Kieck angelegt. Siehe bei "Änderungsvorschlag" für weitere Mitarbeit.
- Weitere Modelle
-
Hier finden Sie 885 Modelle, davon 845 mit Bildern und 478 mit Schaltbildern.
Alle gelisteten Radios usw. von Dual, Gebr. Steidinger; St. Georgen/Schwarzwald
Sammlungen
Das Modell befindet sich in den Sammlungen folgender Mitglieder.