- Land
- Frankreich / France
- Hersteller / Marke
- Ducastel Frères (DAHG); Clichy, Paris
- Jahr
- 1954
- Kategorie
- Rundfunkempfänger (Radio - oder Tuner nach WW2)
- Radiomuseum.org ID
- 70929
-
- Marke: DAHG
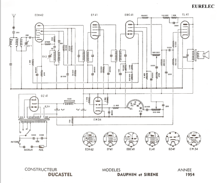
Klicken Sie auf den Schaltplanausschnitt, um diesen kostenlos als Dokument anzufordern.
- Anzahl Röhren
- 6
- Hauptprinzip
- Superhet allgemein
- Wellenbereiche
- Langwelle, Mittelwelle und zwei mal Kurzwelle.
- Betriebsart / Volt
- Wechselstromspeisung
- von Radiomuseum.org
- Modell: Sirene - Ducastel Frères DAHG; Clichy,
- Datenherkunft extern
- Serge Laffont/Martin Renoth
- Autor
- Modellseite von Ernst Erb angelegt. Siehe bei "Änderungsvorschlag" für weitere Mitarbeit.
- Weitere Modelle
-
Hier finden Sie 91 Modelle, davon 43 mit Bildern und 56 mit Schaltbildern.
Alle gelisteten Radios usw. von Ducastel Frères (DAHG); Clichy, Paris