- Land
- Italien / Italy
- Hersteller / Marke
- Ducati, SSR (Società Scientifica Radio Brevetti Ducati); Bologna
- Jahr
- 1948/1949
- Kategorie
- Rundfunkempfänger (Radio - oder Tuner nach WW2)
- Radiomuseum.org ID
- 193792
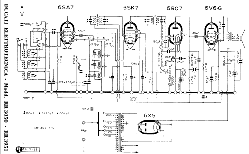
Klicken Sie auf den Schaltplanausschnitt, um diesen kostenlos als Dokument anzufordern.
- Anzahl Röhren
- 5
- Hauptprinzip
- Superhet allgemein; ZF/IF 468 kHz
- Wellenbereiche
- Mittelwelle und 2 x Kurzwellen.
- Betriebsart / Volt
- Wechselstromspeisung / 110; 125; 140; 160; 220 Volt
- Lautsprecher
- Dynamischer LS, Prinzip (Edyn oder Pdyn) nicht gegeben.
- Material
- Gerät mit Holzgehäuse
- von Radiomuseum.org
- Modell: RR3050 - Ducati, SSR Società
- Form
- Tischgerät-gross, - Querformat (breiter als hoch oder quadratisch).
- Abmessungen (BHT)
- 570 x 280 x 230 mm / 22.4 x 11 x 9.1 inch
- Datenherkunft
- Guida Pratica Antique Radio V (2003)
- Literatur/Schema (1)
- Il Manuale del Radiomeccanico (Vol.3°)
- Autor
- Modellseite von Eduard Abfalterer angelegt. Siehe bei "Änderungsvorschlag" für weitere Mitarbeit.
- Weitere Modelle
-
Hier finden Sie 103 Modelle, davon 84 mit Bildern und 75 mit Schaltbildern.
Alle gelisteten Radios usw. von Ducati, SSR (Società Scientifica Radio Brevetti Ducati); Bologna
Sammlungen
Das Modell befindet sich in den Sammlungen folgender Mitglieder.