- Country
- France
- Manufacturer / Brand
- Ducretet (-Thomson; avant: Fernand Ducretet et Ernest Roger etc.); Paris
- Year
- 1959
- Category
- Broadcast Receiver - or past WW2 Tuner
- Radiomuseum.org ID
- 106164
-
- alternative name: SED
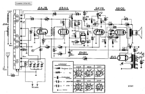
Click on the schematic thumbnail to request the schematic as a free document.
- Number of Tubes
- 6
- Main principle
- Superheterodyne (common); ZF/IF 455 kHz
- Tuned circuits
- 6 AM circuit(s)
- Wave bands
- Broadcast, Long Wave and 2 x Short Wave.
- Power type and voltage
- Alternating Current supply (AC) / 110; 125; 145; 220; 240 Volt
- Loudspeaker
- Permanent Magnet Dynamic (PDyn) Loudspeaker (moving coil)
- Material
- Wooden case
- from Radiomuseum.org
- Model: Voix du monde 60 - Ducretet -Thomson; avant:
- Shape
- Tablemodel with Push Buttons.
- Dimensions (WHD)
- 400 x 280 x 210 mm / 15.7 x 11 x 8.3 inch
- Notes
-
2x OC dont une bande étalée (BE).
- Source of data
- Le grand livre de la TSF
- Literature/Schematics (1)
- -- Schematic
- Author
- Model page created by John Koster. See "Data change" for further contributors.
- Other Models
-
Here you find 658 models, 528 with images and 286 with schematics for wireless sets etc. In French: TSF for Télégraphie sans fil.
All listed radios etc. from Ducretet (-Thomson; avant: Fernand Ducretet et Ernest Roger etc.); Paris