- País
- Estados Unidos
- Fabricante / Marca
- DuKane Corporation; St. Charles (IL)
- Año
- 1952 ?
- Categoría
- Amplificador de audio o mezclador
- Radiomuseum.org ID
- 135765
Haga clic en la miniatura esquemática para solicitarlo como documento gratuito.
- Numero de valvulas
- 6
- Principio principal
- Amplificador de Audio
- Gama de ondas
- - no hay
- Tensión de funcionamiento
- Red: Corriente alterna (CA, Inglés = AC) / 60Hz, 117V=110-120 Volt
- Altavoz
- - Este modelo usa altavoz exterior (1 o más).
- Material
- Metálico
- de Radiomuseum.org
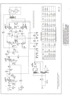
- Modelo: 1A300 - DuKane Corporation; St.
- Forma
- Sobremesa de cualquier forma, detalles no conocidos.
- Anotaciones
-
Dukane model 1A300 is an AC operated 2 channel audio amplifier.
- Documentación / Esquemas (1)
- Photofact Folder, Howard W. SAMS (Set 189 folder 6 date 12-52)
- Autor
- Modelo creado por Peter Hoddow. Ver en "Modificar Ficha" los participantes posteriores.
- Otros modelos
-
Donde encontrará 29 modelos, 27 con imágenes y 13 con esquemas.
Ir al listado general de DuKane Corporation; St. Charles (IL)