Hamilton Ch= RA312
DuMont Labs, Allen B., Inc.
- Produttore / Marca
- DuMont Labs, Allen B., Inc.
- Anno
- 1955 ?
- Categoria
- Televisore (TV) / Monitor
- Radiomuseum.org ID
- 332583
-
- alternative name: Dumont Television & Radio
Clicca sulla miniatura dello schema per richiederlo come documento gratuito.
- Numero di tubi
- 21
- Valvole
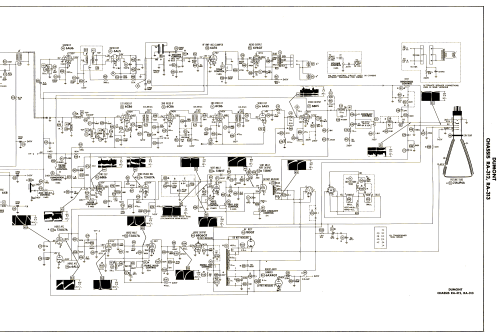
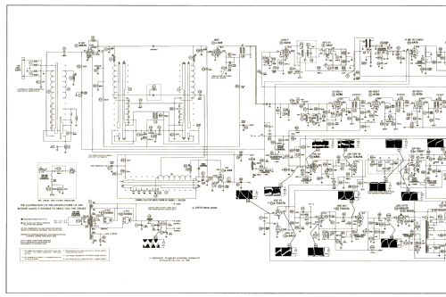
- 6BK7A 6X8 6CB6 6CB6 6CB6 6AL5 6BK5 6AU6 6AL5 6AT6 6V6GT 6BE6 12AU7A 12BH7 12AU7A 6BQ6GT 6AX4GT 1B3GT 5U4GA 5U4GA 21AUP4A
- Principio generale
- Supereterodina con stadio RF
- Gamme d'onda
- Gamme d'onda nelle note.
- Tensioni di funzionamento
- Alimentazione a corrente alternata (CA) / 60 Hz, 117V = 110 -120 Volt
- Altoparlante
- 2 altoparlanti
- Materiali
- Mobile in legno
- Radiomuseum.org
- Modello: Hamilton Ch= RA312 - DuMont Labs, Allen B., Inc.
- Forma
- Console, con gambe d'appoggio basse (< 50%).
- Annotazioni
-
Hamilton model Dellwood is a 21” b/w TV with US standard VHF tuner channels 2 thru 13.
Equipped with chassis RA-312, VHF tuner 89013551 and picture tube 21AUP4A.
- Letteratura / Schemi (1)
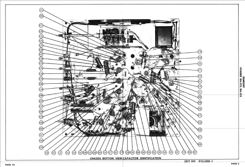
- Photofact Folder, Howard W. SAMS (Set 302 Folder 5 dated 1-56)
- Autore
- Modello inviato da Dirk Taekels. Utilizzare "Proponi modifica" per inviare ulteriori dati.
- Altri modelli
-
In questo link sono elencati 308 modelli, di cui 160 con immagini e 250 con schemi.
Elenco delle radio e altri apparecchi della DuMont Labs, Allen B., Inc.