New Yorker Ch= RA-313
DuMont Labs, Allen B., Inc.
- País
- Estados Unidos
- Fabricante / Marca
- DuMont Labs, Allen B., Inc.
- Año
- 1955 ?
- Categoría
- Televisión (TV) o monitor
- Radiomuseum.org ID
- 332610
-
- alternative name: Dumont Television & Radio
Haga clic en la miniatura esquemática para solicitarlo como documento gratuito.
- Numero de valvulas
- 22
- Válvulas
- 6AF4 6BZ7 6U8 6CB6 6CB6 6CB6 6AL5 6BK5 6AU6 6AL5 6AT6 6V6GT 6BE6 12AU7A 12BH7 12AU7A 6BQ6GT 6AX4GT 1B3GT 5U4GA 5U4GA 21AUP4A
- Principio principal
- Superheterodino con paso previo de RF
- Gama de ondas
- Bandas de recepción puestas en notas.
- Tensión de funcionamiento
- Red: Corriente alterna (CA, Inglés = AC) / 60 Hz, 117V = 110 -120 Volt
- Altavoz
- 2 Altavoces
- Material
- Madera
- de Radiomuseum.org
- Modelo: New Yorker Ch= RA-313 - DuMont Labs, Allen B., Inc.
- Forma
- Consola baja, patas más cortas del 50%.
- Anotaciones
-
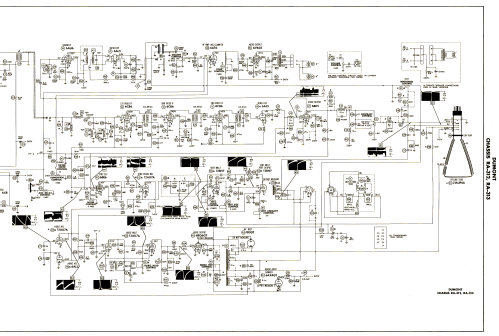
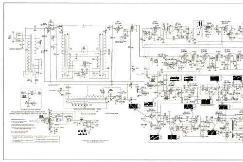
Dumont model New Yorker is a 21” b/w TV with US standard VHF tuner channels 2 thru
13, and 14 thru 83 UHF. Equipped with chassis RA-313, VHF- UHF tuner 89013492 and picture tube 21AUP4A.
- Documentación / Esquemas (1)
- Photofact Folder, Howard W. SAMS (Set 302 Folder 5 dated 1-56)
- Autor
- Modelo creado por Dirk Taekels. Ver en "Modificar Ficha" los participantes posteriores.
- Otros modelos
-
Donde encontrará 308 modelos, 160 con imágenes y 250 con esquemas.
Ir al listado general de DuMont Labs, Allen B., Inc.