Winslow RA-109-A1
DuMont Labs, Allen B., Inc.
- Country
- United States of America (USA)
- Manufacturer / Brand
- DuMont Labs, Allen B., Inc.
- Year
- 1950
- Category
- Television- and Radio Receiver, perh. also + Rec. etc. (TV Radio)
- Radiomuseum.org ID
- 122536
-
- alternative name: Dumont Television & Radio
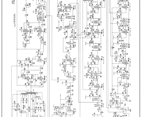
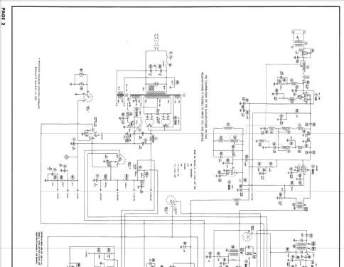
Click on the schematic thumbnail to request the schematic as a free document.
- Number of Tubes
- 35
- Valves / Tubes
- 6J6 6AK5 6AB4 6AU6 6AU6 6AU6 6AU6 6AL5 6BA6 6AL5 6SN7GT 6BA6 6AQ5 6AU6 6AU6 6AU6 6AL5 6AL7GT 12AU7 6V6GT 6AU6 6AL5 6SN7GT 6SN7GT 6BC5 6AK6 6BG6G 6BG6G 6W4GT 6W4GT 1X2 1X2 5U4G 5U4G 19AP4
- Main principle
- Superheterodyne (common); ZF/IF 26400/21900 kHz
- Wave bands
- Wave Bands given in the notes.
- Power type and voltage
- Alternating Current supply (AC) / 115 Volt
- Loudspeaker
- Permanent Magnet Dynamic (PDyn) Loudspeaker (moving coil) / Ø 10 inch = 25.4 cm
- Power out
- 3 W (unknown quality)
- Material
- Wooden case
- from Radiomuseum.org
- Model: Winslow RA-109-A1 - DuMont Labs, Allen B., Inc.
- Shape
- Console with any shape - in general
- Dimensions (WHD)
- 30.6 x 40 x 22.6 inch / 777 x 1016 x 574 mm
- Notes
- The DuMont RA-109 family of televisions (or "Telesets" as DuMont called them) introduced a number of new features for DuMont. Like earlier DuMont telesets, the RA-109 chassis uses a Mallory-Ware Inductuner which covers 44-216 MHz in one continuous range for coverage of the VHF low (including Channel 1, even though it was no longer used), FM radio, and VHF high bands. DuMont used the terms Inputuner, Sensituner, and Selectuner in their service and advertising literature. Unlike earlier Inductuners, which used a triple roller inductor, the RA-109 has four spiral variable inductors. The tuning scale on the RA-109 and later models is a vertical slide rule dial, rather than the round dials of earlier DuMonts. Other new features were the inclusion of AGC circuitry and a constant voltage ferroresonant power transformer. Unlike many of DuMont's earlier sets which had multiple chassis, the RA-109 uses a single chassis.
Six models of the RA-109 family were introduced in 1950: The RA-109-A1 Winslow (mahogany) and RA-109-A5 Winslow (blonde) are TV/FM open consoles. The RA-109-A2 Hanover (mahogany) and RA-109-A6 Hanover (blonde) are TV/FM consoles with doors. The RA-109-A3 Sherbrooke (mahogany) and RA-109-A7 Sherbrooke (blonde) are TV/FM/AM/phono consoles with doors. The Sherbrookes have a 3-speed record changer and an AM tuner on a separate chassis. In 1951, two additional models were introduced, the RA-109 Westbury series II in mahogany and blonde. The model number suffixes of these 1951 models are unknown.
- Price in first year of sale
- 495.00 $
- Source of data
- -- Collector info (Sammler)
- Circuit diagram reference
- Photofact Folder, Howard W. SAMS
- Literature/Schematics (1)
- SAMS set 110 folder 7; Rider TV 5-1
- Author
- Model page created by a member from A. See "Data change" for further contributors.
- Other Models
-
Here you find 308 models, 160 with images and 250 with schematics for wireless sets etc. In French: TSF for Télégraphie sans fil.
All listed radios etc. from DuMont Labs, Allen B., Inc.