inconnu, unknown
Duron, Louis; Aubusson
- Pays
- France
- Fabricant / Marque
- Duron, Louis; Aubusson
- Année
- 1940 ??
- Catégorie
- Radio - ou tuner d'après la guerre 1939-45
- Radiomuseum.org ID
- 207423
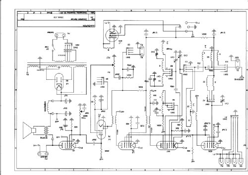
Cliquez sur la vignette du schéma pour le demander en tant que document gratuit.
- No. de tubes
- 7
- Principe général
- Super hétérodyne avec étage HF; FI/IF 460 kHz; 1 Etage(s) BF
- Gammes d'ondes
- PO, GO et OC
- Tension / type courant
- Alimentation Courant Alternatif (CA) / 110; 125; 150; 220 Volt
- Haut-parleur
- HP dynamique à électro-aimant (électrodynamique) / Ø 21 cm = 8.3 inch
- Puissance de sortie
- 2.5 W (qualité inconnue)
- Matière
- Boitier en bois
- De Radiomuseum.org
- Modèle: inconnu, unknown - Duron, Louis; Aubusson
- Forme
- Modèle de table profil bas (grand modèle).
- Dimensions (LHP)
- 510 x 420 x 350 mm / 20.1 x 16.5 x 13.8 inch
- D'autres Modèles
-
Vous pourrez trouver sous ce lien 1 modèles d'appareils, 1 avec des images et 1 avec des schémas.
Tous les appareils de Duron, Louis; Aubusson
Collections
Le modèle inconnu, unknown fait partie des collections des membres suivants.