A45-25R Ch= 2500
Dynamic Electronics New York. Inc.; (NY)
- País
- Estados Unidos
- Fabricante / Marca
- Dynamic Electronics New York. Inc.; (NY)
- Año
- 1959 ?
- Categoría
- Radio - o Sintonizador pasado WW2
- Radiomuseum.org ID
- 146371
Haga clic en la miniatura esquemática para solicitarlo como documento gratuito.
- Numero de valvulas
- 12
- Principio principal
- Superheterodino en general; ZF/IF 455/10700 kHz
- Gama de ondas
- OM y FM
- Especialidades
- Tocadiscos con cambiador autom.
- Tensión de funcionamiento
- Red: Corriente alterna (CA, Inglés = AC) / 110 - 120 Volt
- Altavoz
- 6 Altavoces
- de Radiomuseum.org
- Modelo: A45-25R Ch= 2500 - Dynamic Electronics New York.
- Anotaciones
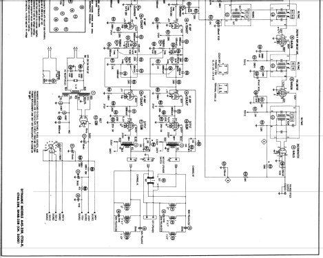
- AC operated AM - FM receiver with 4 speed automatic record changer. Sams photofact set 488 folder 8 date 6-60 features the Dynamic models A45-25R, CT36-R, CT44-25R and SH48-25R as the same schematic.
- Documentación / Esquemas (1)
- Photofact Folder, Howard W. SAMS (Set 488 folder 8 date 6-60)
- Autor
- Modelo creado por Peter Hoddow. Ver en "Modificar Ficha" los participantes posteriores.
- Otros modelos
-
Donde encontrará 21 modelos, 11 con imágenes y 17 con esquemas.
Ir al listado general de Dynamic Electronics New York. Inc.; (NY)