CT36-5 Ch= 500
Dynamic Electronics New York. Inc.; (NY)
- Pays
- Etats-Unis
- Fabricant / Marque
- Dynamic Electronics New York. Inc.; (NY)
- Année
- 1959 ?
- Catégorie
- Enrégistreur et/ou reproducteur son/video
- Radiomuseum.org ID
- 146368
Cliquez sur la vignette du schéma pour le demander en tant que document gratuit.
- No. de tubes
- 9
- Principe général
- Amplification audio
- Gammes d'ondes
- - sans
- Particularités
- Electrophone avec HP
- Tension / type courant
- Alimentation Courant Alternatif (CA) / 110 - 120 Volt
- Haut-parleur
- 6 HP
- De Radiomuseum.org
- Modèle: CT36-5 Ch= 500 - Dynamic Electronics New York.
- Remarques
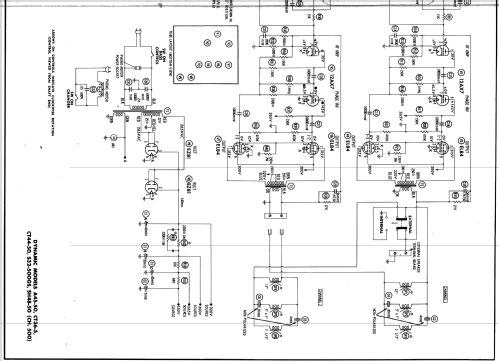
- AC operated stereo amplifier with 4 speed automatic record changer. Sams photofact set 488 folder 9 date 6-60 features the Dynamic models A45-50, CT36-5, CT44-50, S32-500GS and SH48-50 as the same schematic.
- Schémathèque (1)
- Photofact Folder, Howard W. SAMS (Set 488 folder 9 date 6-60)
- Auteur
- Modèle crée par Peter Hoddow. Voir les propositions de modification pour les contributeurs supplémentaires.
- D'autres Modèles
-
Vous pourrez trouver sous ce lien 21 modèles d'appareils, 11 avec des images et 17 avec des schémas.
Tous les appareils de Dynamic Electronics New York. Inc.; (NY)