CT44-50 Ch= 500
Dynamic Electronics New York. Inc.; (NY)
- Country
- United States of America (USA)
- Manufacturer / Brand
- Dynamic Electronics New York. Inc.; (NY)
- Year
- 1959 ?
- Category
- Sound/Video Recorder and/or Player
- Radiomuseum.org ID
- 146367
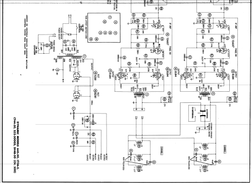
Click on the schematic thumbnail to request the schematic as a free document.
- Number of Tubes
- 9
- Main principle
- Audio-Amplification
- Wave bands
- - without
- Details
- Rec.Player+Audio.Amp+LS
- Power type and voltage
- Alternating Current supply (AC) / 110 - 120 Volt
- Loudspeaker
- 6 Loudspeakers
- Material
- Wooden case
- from Radiomuseum.org
- Model: CT44-50 Ch= 500 - Dynamic Electronics New York.
- Shape
- Console, Lowboy (legs < 50 %).
- Notes
- AC operated stereo amplifier with 4 speed automatic record changer. Sams photofact set 488 folder 9 date 6-60 features the Dynamic models A45-50, CT36-5, CT44-50, S32-500GS and SH48-50 as the same schematic.
- Literature/Schematics (1)
- Photofact Folder, Howard W. SAMS (Set 488 folder 9 date 6-60)
- Author
- Model page created by Peter Hoddow. See "Data change" for further contributors.
- Other Models
-
Here you find 21 models, 11 with images and 17 with schematics for wireless sets etc. In French: TSF for Télégraphie sans fil.
All listed radios etc. from Dynamic Electronics New York. Inc.; (NY)