HiFi Power Amplifier HF-22
EICO (Electronic Instrument Co.Inc.) Brooklyn
- Country
- United States of America (USA)
- Manufacturer / Brand
- EICO (Electronic Instrument Co.Inc.) Brooklyn
- Year
- 1959 ?
- Category
- Audio Amplifier or -mixer
- Radiomuseum.org ID
- 127993
Click on the schematic thumbnail to request the schematic as a free document.
- Number of Tubes
- 5
- Main principle
- Audio-Amplification
- Wave bands
- - without
- Power type and voltage
- Alternating Current supply (AC) / 117 Volt
- Loudspeaker
- - This model requires external speaker(s).
- Power out
- 22 W (unknown quality)
- Material
- Metal case
- from Radiomuseum.org
- Model: HiFi Power Amplifier HF-22 - EICO Electronic Instrument Co.
- Shape
- Chassis only or for «building in»
- Notes
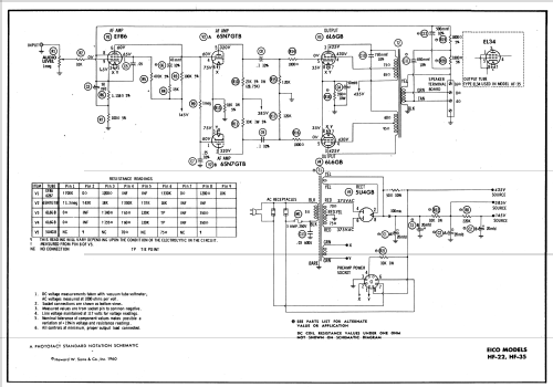
- Mono power amp; 4/8/16 Ohms output; power supply for preamp. Sams photofact set 492 folder 12 features the Electronic Instrument models HF-22 and HF-35 as the same schematic.
- Source of data
- -- Collector info (Sammler)
- Literature/Schematics (1)
- Photofact Folder, Howard W. SAMS (Set 492 folder 12 date 7-60)
- Author
- Model page created by Gottfried Silberhorn. See "Data change" for further contributors.
- Other Models
-
Here you find 183 models, 180 with images and 131 with schematics for wireless sets etc. In French: TSF for Télégraphie sans fil.
All listed radios etc. from EICO (Electronic Instrument Co.Inc.) Brooklyn