Select S722TE6
Electronica; București - Bucharest
- Country
- Romania
- Manufacturer / Brand
- Electronica; București - Bucharest
- Year
- 1976
- Category
- Broadcast Receiver - or past WW2 Tuner
- Radiomuseum.org ID
- 91221
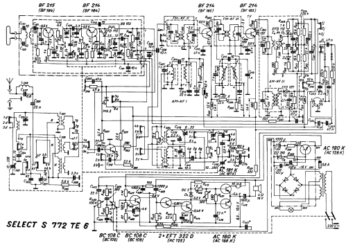
Click on the schematic thumbnail to request the schematic as a free document.
- Number of Transistors
- 11
- Semiconductors
- BF215 BF214 BF215 BF214 BF214 BC108 or. BC109 EFT322 EFT322 AC180 AC181 AC180 EFD115 EFD107 DC1 B30C500 DZ310
- Main principle
- Superheterodyne (common); ZF/IF 465 kHz; Export model
- Wave bands
- Broadcast, Long Wave, Short Wave plus FM or UHF.
- Power type and voltage
- Alternating Current supply (AC) / 220 Volt
- Loudspeaker
- Permanent Magnet Dynamic (PDyn) Loudspeaker (moving coil) - elliptical
- Power out
- 1.5 W (unknown quality)
- Material
- Wooden case
- from Radiomuseum.org
- Model: Select S722TE6 - Electronica; București -
- Shape
- Tablemodel with Push Buttons.
- Dimensions (WHD)
- 540 x 160 x 147 mm / 21.3 x 6.3 x 5.8 inch
- Notes
- UKW 65-73 MHz.
- Net weight (2.2 lb = 1 kg)
- 4 kg / 8 lb 13 oz (8.811 lb)
- Source of data
- Radio- es TV- kapcsolások, 1975-77
- Author
- Model page created by Karl Günther Goldsteiner. See "Data change" for further contributors.
- Other Models
-
Here you find 92 models, 70 with images and 61 with schematics for wireless sets etc. In French: TSF for Télégraphie sans fil.
All listed radios etc. from Electronica; București - Bucharest
Collections
The model Select is part of the collections of the following members.
Forum contributions about this model: Electronica;: Select S722TE6
Threads: 1 | Posts: 1
Geht nicht auf AM. C210 (25nF) war taub.
(radio fernsehen elektronik 16/75)
Egon Strampe, 12.Jan.13