1228 Ch= 120353-E
Emerson Radio & Phonograph Corp.; New York, NY
- Country
- United States of America (USA)
- Manufacturer / Brand
- Emerson Radio & Phonograph Corp.; New York, NY
- Year
- 1957 ?
- Category
- Television Receiver (TV) or Monitor
- Radiomuseum.org ID
- 319260
-
- alternative name: Emerson Television
Click on the schematic thumbnail to request the schematic as a free document.
- Number of Tubes
- 17
- Valves / Tubes
- 6BN4 6CG8 6CB6 6CB6 6CB6 6U8 6T8 6AQ5 12BY7A 6CG7 6CG7 6CU6 or 6DQ6A or 6DQ6 1B3GT 6AX4 6V6GT 5U4G 21BTP4 or 21ALP4B
- Main principle
- Superhet with RF-stage
- Wave bands
- Wave Bands given in the notes.
- Power type and voltage
- Alternating Current supply (AC) / 60 Hz, 117V = 110 -120 Volt
- Loudspeaker
- Permanent Magnet Dynamic (PDyn) Loudspeaker (moving coil)
- Material
- Wooden case
- from Radiomuseum.org
- Model: 1228 Ch= 120353-E - Emerson Radio & Phonograph
- Shape
- Tablemodel, with any shape - general.
- Notes
-
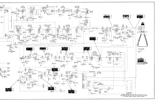
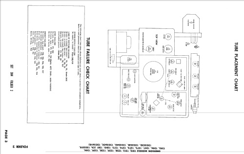
Emerson model 1228 is a 21" b/w TV with US standard VHF tuner channels 2 thru 13. Equipped with chassis 120353-E, VHF tuner 471020 and picture tube 21BTP4A or 21ALP4B.
- Literature/Schematics (1)
- Photofact Folder, Howard W. SAMS (Set 384 Folder 2 dated 1-58)
- Author
- Model page created by Dirk Taekels. See "Data change" for further contributors.
- Other Models
-
Here you find 2101 models, 1158 with images and 1659 with schematics for wireless sets etc. In French: TSF for Télégraphie sans fil.
All listed radios etc. from Emerson Radio & Phonograph Corp.; New York, NY