1421 Ch= 120370G
Emerson Radio & Phonograph Corp.; New York, NY
- Country
- United States of America (USA)
- Manufacturer / Brand
- Emerson Radio & Phonograph Corp.; New York, NY
- Year
- 1958 ?
- Category
- Television Receiver (TV) or Monitor
- Radiomuseum.org ID
- 123970
-
- alternative name: Emerson Television
Click on the schematic thumbnail to request the schematic as a free document.
- Number of Tubes
- 19
- Valves / Tubes
- 6AF4A 6BN4 6CG8 6CB6 6CB6 6AS8 6AN8 6DT6 6AQ5 6BY6 12BY7A 6CG7 6CG7 6DQ6A or 6DQ6 or 6CU6 6V6GT 1B3GT 6AX4GT 5U4G 21CBP4A
- Main principle
- Superhet with RF-stage
- Wave bands
- Wave Bands given in the notes.
- Power type and voltage
- Alternating Current supply (AC) / 60 Hz, 117V = 110 -120 Volt
- Loudspeaker
- Permanent Magnet Dynamic (PDyn) Loudspeaker (moving coil)
- Material
- Wooden case
- from Radiomuseum.org
- Model: 1421 Ch= 120370G - Emerson Radio & Phonograph
- Shape
- Console, Highboy (legs > 50 %).
- Notes
-
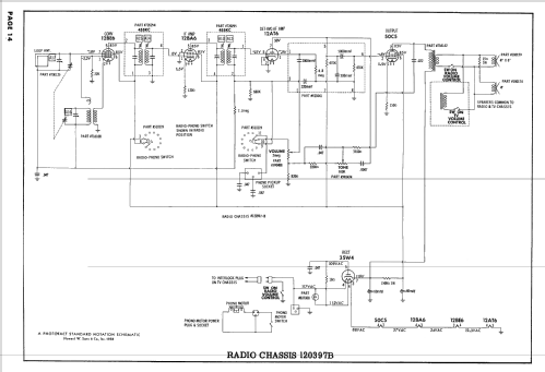
Emerson model 1421 is a 21" b/w TV with US standard VHF tuner channels 2 thru 13, and 14 thru 83 UHF. Equipped with chassis 120370G, VHF-UHF tuner 471040 and picture tube 21CBP4A.Available is a radio chassis 120397B.
- Source of data
- -- Original prospect or advert
- Literature/Schematics (1)
- Photofact Folder, Howard W. SAMS (Set 400 Folder 2 dated 5-58)
- Author
- Model page created by a member from A. See "Data change" for further contributors.
- Other Models
-
Here you find 2101 models, 1158 with images and 1659 with schematics for wireless sets etc. In French: TSF for Télégraphie sans fil.
All listed radios etc. from Emerson Radio & Phonograph Corp.; New York, NY