1426 Ch= 120369C
Emerson Radio & Phonograph Corp.; New York, NY
- Land
- USA
- Hersteller / Marke
- Emerson Radio & Phonograph Corp.; New York, NY
- Jahr
- 1958 ?
- Kategorie
- Fernseh-Empfänger/Monitor
- Radiomuseum.org ID
- 194721
-
- anderer Name: Emerson Television
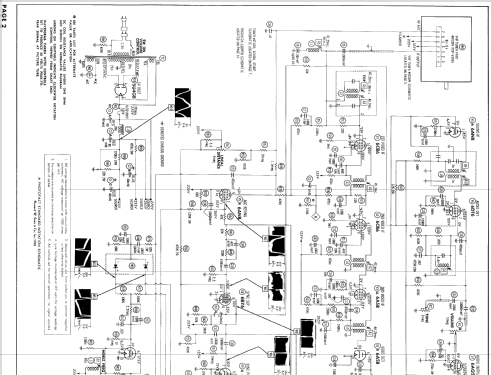
Klicken Sie auf den Schaltplanausschnitt, um diesen kostenlos als Dokument anzufordern.
- Anzahl Röhren
- 18
- Röhren
- 6BQ7A 6AT8 6CB6 6CB6 6AS8 6AN8 6DT6 6AQ5 6BY6 12BY7A 6CG7 6CG7 6DQ6A or 6DQ6 or 6CU6 6V6GT 1B3GT 6AX4GT 5U4G 21CBP4A
- Hauptprinzip
- Super mit HF-Vorstufe
- Wellenbereiche
- Wellen in den Bemerkungen.
- Betriebsart / Volt
- Wechselstromspeisung / 60 Hz, 117V = 110 -120 Volt
- Lautsprecher
- Dynamischer LS, keine Erregerspule (permanentdynamisch)
- Material
- Gerät mit Holzgehäuse
- von Radiomuseum.org
- Modell: 1426 Ch= 120369C - Emerson Radio & Phonograph
- Form
- Standgerät auf hohen Beinen (Beine > 50 % der Gesamthöhe).
- Bemerkung
-
Emerson model 1426 is a 21" b/w TV with US standard VHF tuner channels 2 thru 13. Equipped with chassis 120369C, VHF tuner 471039 and picture tube 21CBP4A.Available is a radio chassis 120397B.
- Literatur/Schema (1)
- Photofact Folder, Howard W. SAMS (Date 5-58, Set 400, Folder 2)
- Literatur/Schema (2)
- Photofact Folder, Howard W. SAMS (Set 386 Folder 15-S dated 1-58)
- Autor
- Modellseite von Egon Penker angelegt. Siehe bei "Änderungsvorschlag" für weitere Mitarbeit.
- Weitere Modelle
-
Hier finden Sie 2101 Modelle, davon 1156 mit Bildern und 1659 mit Schaltbildern.
Alle gelisteten Radios usw. von Emerson Radio & Phonograph Corp.; New York, NY