510 ch= 120029 dial 180°, octal tubes
Emerson Radio & Phonograph Corp.; New York, NY
- Country
- United States of America (USA)
- Manufacturer / Brand
- Emerson Radio & Phonograph Corp.; New York, NY
- Year
- 1946
- Category
- Broadcast Receiver - or past WW2 Tuner
- Radiomuseum.org ID
- 38503
-
- alternative name: Emerson Television
Click on the schematic thumbnail to request the schematic as a free document.
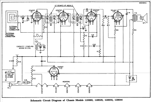
- Number of Tubes
- 5
- Main principle
- Superheterodyne (common); ZF/IF 455 kHz; 2 AF stage(s)
- Tuned circuits
- 6 AM circuit(s)
- Wave bands
- Broadcast only (MW).
- Power type and voltage
- AC/DC-set / 105-125 Volt
- Loudspeaker
- Permanent Magnet Dynamic (PDyn) Loudspeaker (moving coil)
- Material
- Wooden case
- from Radiomuseum.org
- Model: 510 ch= 120029 [dial 180°, octal tubes] - Emerson Radio & Phonograph
- Shape
- Tablemodel without push buttons, Mantel/Midget/Compact up to 14
- Notes
- BC Band Tuning Range: 540-1620kHz. Built-in loop antenna. Chassis No.120029 has a 180° dial and glass or metal Octal tubes. Black speaker grille with square or round holes. Walnut or Mahogany cabinet.
- External source of data
- Ernst Erb
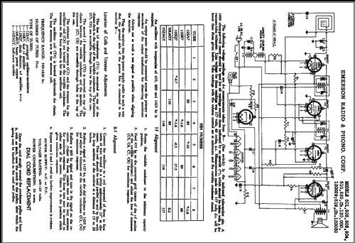
- Circuit diagram reference
- Rider's Perpetual, Volume 15 = 1947 and before
- Mentioned in
- Collector's Guide to Antique Radios (6th edition)
- Literature/Schematics (1)
- Photofact Folder, Howard W. SAMS (Set 5, Folder 465-36)
- Literature/Schematics (2)
- Emerson Radio and Television Service Manual (Page 11)
- Other Models
-
Here you find 2099 models, 1153 with images and 1657 with schematics for wireless sets etc. In French: TSF for Télégraphie sans fil.
All listed radios etc. from Emerson Radio & Phonograph Corp.; New York, NY
Collections
The model 510 is part of the collections of the following members.
Forum contributions about this model: Emerson Radio &: 510 ch= 120029
Threads: 1 | Posts: 5
Guten Abend !
Ich habe einen Emerson, Model 510. Modellbezeichnung auf Rückwand und Gehäuseboden vorhanden. Hersteller lt. Rückwand: Emerson, Radio and Television. Auf Blechskala gestanzt: Emerson Radio and Phonograph Corporation U.S.A.
Röhrenbestückung: 12SA7, 12SK7, 12SQ7, 50LG GT, sowie unbekannte Röhre - vermutl. jedoch 35Z5 (GT).
Unter "510" sind insgesamt 7 Modelle gelistet, davon 6 mit d. Modellnummern 120 044, 120 029, 120 000, 120 035, 120 032, 120 030.
Die Modelle mit den Modellnummern 120 035 u. 120032 sind bestückt mit anderen Röhren als wie in meinem Gerät.
Letztlich das 7. Modell -ohne Modellnummer- als Modell 510. Dieses Gerät hat jedoch eine ganz andere Form,(Bild von Herrn Hans Amberger), wie mein Gerät, und hat LW + MW. Mein Gerät hat nur MW.
Es existiert nur noch ein weiteres Bild (von Herrn Peter Hoddow) bei Modell Nr. 120 000. Die Form des vorhandenen Bildes entspricht meinem Gerät. Mein Gerät hat jedoch eine dunkle Front.
Frage: Soll ich ein neues Modell anlegen oder zu welchem Modell soll ich weitere Bilder hochladen ?
Viele Grüße
Hanschke Reinhard
Reinhard Hanschke, 14.Jan.09