621 120098-B
Emerson Radio & Phonograph Corp.; New York, NY
- País
- Estados Unidos
- Fabricante / Marca
- Emerson Radio & Phonograph Corp.; New York, NY
- Año
- 1949/1950
- Categoría
- Televisión con radio y/o grabadora.
- Radiomuseum.org ID
- 233334
-
- alternative name: Emerson Television
Haga clic en la miniatura esquemática para solicitarlo como documento gratuito.
- Numero de valvulas
- 29
- Válvulas
- 6J6 6J6 6J6 6BA6 6BA7 6AU6 6AU6 6AU6 6AU6 6AL5 6AU6 6AU6 6T8 6V6GT 12AU7 6AU6 6AU6 6AR5 12AU7 6SN7 6K6GT 6W4 1B3GT or 8016 6BG6G 6SN7GT 6AL5 6SN7 5U4G 10BP4
- Principio principal
- Superheterodino con paso previo de RF; 2 Etapas de AF
- Tensión de funcionamiento
- Red: Corriente alterna (CA, Inglés = AC) / 117 Volt
- Altavoz
- Altavoz dinámico (de imán permanente)
- Material
- Madera
- de Radiomuseum.org
- Modelo: 621 120098-B - Emerson Radio & Phonograph
- Forma
- Sobremesa de cualquier forma, detalles no conocidos.
- Anotaciones
-
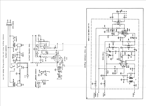
This is a 10-inch 3-Way model with a big 61-sq. in. screen and FM/AM radio.
Two different RF-Tuners possible:
- Part No. 470467 Tubes
V25 = 6J6 OSC.
V26 = 6J6 CONV.
V27 = 6J6 R.F.AMP
- Part No. 470469
V25 = ---
V26 = 6J6 OSC.&CONV.
V27 = 6AG5 R.F.AMP
- Precio durante el primer año
- 269.50 $
- Documentación / Esquemas (1)
- Photofact Folder, Howard W. SAMS (Set 91A Folder 6 1950)
- Documentación / Esquemas (3)
- Emerson Folder Form. No. 50-628 for "New 1950".
- Autor
- Modelo creado por Ernst Erb. Ver en "Modificar Ficha" los participantes posteriores.
- Otros modelos
-
Donde encontrará 2101 modelos, 1158 con imágenes y 1659 con esquemas.
Ir al listado general de Emerson Radio & Phonograph Corp.; New York, NY