651D Ch= 120124B
Emerson Radio & Phonograph Corp.; New York, NY
- País
- Estados Unidos
- Fabricante / Marca
- Emerson Radio & Phonograph Corp.; New York, NY
- Año
- 1950 ?
- Categoría
- Televisión (TV) o monitor
- Radiomuseum.org ID
- 340881
- 
        - alternative name: Emerson Television
 
Haga clic en la miniatura esquemática para solicitarlo como documento gratuito.
- Numero de valvulas
- 22
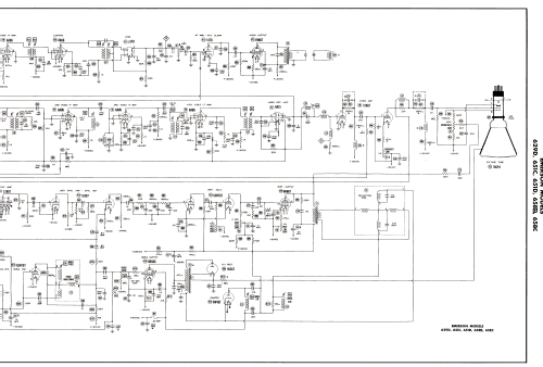
- Válvulas
- 6BC5 or 6AG5 or 6CB6 6J6 6AU6 6AU6 6AU6 6AU6 6AL5 12AU7 6AU6 6AU6 6T8 6V6GT 12AU7 12AU7 6SN7GT 6K6GT 6SN7GT 6BG6G 6W4GT 1B3GT 5U4G 16GP4
- Principio principal
- Superheterodino con paso previo de RF
- Gama de ondas
- Bandas de recepción puestas en notas.
- Tensión de funcionamiento
- Red: Corriente alterna (CA, Inglés = AC) / 60 Hz, 117V = 110 -120 Volt
- Altavoz
- Altavoz dinámico (de imán permanente)
- Material
- Madera
- de Radiomuseum.org
- Modelo: 651D Ch= 120124B - Emerson Radio & Phonograph
- Forma
- Sobremesa de cualquier forma, detalles no conocidos.
- Anotaciones
- 
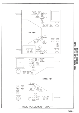
        Emerson model 651D is a 16” b/w TV with US standard VHF tuner channels 2 thru 13. 
 Equipped with chassis 120124B, VHF tuner 470469-2 and picture tube 16GP4.
- Documentación / Esquemas (1)
- Photofact Folder, Howard W. SAMS (Set 116, Folder 5 dated 12-50)
- Autor
- Modelo creado por Dirk Taekels. Ver en "Modificar Ficha" los participantes posteriores.
- Otros modelos
- 
        Donde encontrará 2101 modelos, 1158 con imágenes y 1659 con esquemas. 
 Ir al listado general de Emerson Radio & Phonograph Corp.; New York, NY
 
                
                
                
                
                
                
                
                
                
                
                
                
                
               