688B Ch= 120129-B
Emerson Radio & Phonograph Corp.; New York, NY
- Country
- United States of America (USA)
- Manufacturer / Brand
- Emerson Radio & Phonograph Corp.; New York, NY
- Year
- 1951 ?
- Category
- Television Receiver (TV) or Monitor
- Radiomuseum.org ID
- 345133
-
- alternative name: Emerson Television
Click on the schematic thumbnail to request the schematic as a free document.
- Number of Tubes
- 23
- Valves / Tubes
- 6CB6 or 6BC5 or 6AG5 6J6 6AU6 6AU6 6AU6 6AU6 6AL5 6AC7 6AU6 6AU6 6AL5 or 6T8 6AV6 6V6GT 12AU7 12AU7 or 6SN7GT 6SN7GT 6K6GT 6SN7GT 6CD6G 6W4GT 1B3GT 5U4G 19AP4 or 19AP4A or 19AP4B
- Main principle
- Superhet with RF-stage
- Wave bands
- Wave Bands given in the notes.
- Power type and voltage
- Alternating Current supply (AC) / 60 Hz, 117V = 110 -120 Volt
- Loudspeaker
- Permanent Magnet Dynamic (PDyn) Loudspeaker (moving coil)
- Material
- Wooden case
- from Radiomuseum.org
- Model: 688B Ch= 120129-B - Emerson Radio & Phonograph
- Shape
- Console, Lowboy (legs < 50 %).
- Notes
-
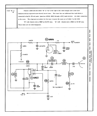
Emerson model 688B is a 21” b/w TV with US standard VHF tuner channels 2 thru 13.
Equipped with chassis 120129-B, VHF tuner 470651KRK-46-N and picture tube 19AP4 or 19AP4A or 19AP4B.
- Literature/Schematics (1)
- Photofact Folder, Howard W. SAMS (Set 126 Folder 5 dated 3-51)
- Literature/Schematics (2)
- Photofact Folder, Howard W. SAMS (Set 181, folder 1, dated 10-52)
- Author
- Model page created by Dirk Taekels. See "Data change" for further contributors.
- Other Models
-
Here you find 2101 models, 1158 with images and 1659 with schematics for wireless sets etc. In French: TSF for Télégraphie sans fil.
All listed radios etc. from Emerson Radio & Phonograph Corp.; New York, NY