741D Ch= 120168-D
Emerson Radio & Phonograph Corp.; New York, NY
- Country
- United States of America (USA)
- Manufacturer / Brand
- Emerson Radio & Phonograph Corp.; New York, NY
- Year
- 1953 ?
- Category
- Television Receiver (TV) or Monitor
- Radiomuseum.org ID
- 364164
-
- alternative name: Emerson Television
Click on the schematic thumbnail to request the schematic as a free document.
- Number of Tubes
- 23
- Valves / Tubes
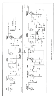
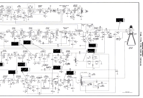
- 6BQ7 6J6 6CB6 6CB6 6CB6 6AL5 6CB6 6AU6 6AU6 6AL5 6AV6 6V6GT 12AU7 6SN7GT 6SN7GT 6W6GT 6SN7GT 6BQ6GT 6W4GT 1X2A 5U4G 5U4G 17LP4
- Main principle
- Superhet with RF-stage; ZF/IF 455 kHz
- Wave bands
- Wave Bands given in the notes.
- Power type and voltage
- Alternating Current supply (AC) / 60 Hz, 117 = 110 -120 Volt
- Loudspeaker
- Permanent Magnet Dynamic (PDyn) Loudspeaker (moving coil) / Ø 6 inch = 15.2 cm
- Material
- Plastics (no bakelite or catalin)
- from Radiomuseum.org
- Model: 741D Ch= 120168-D - Emerson Radio & Phonograph
- Shape
- Tablemodel, with any shape - general.
- Notes
-
Emerson model 741D is a 17” b/w TV with US standard VHF tuner channels 2 thru 13. Equipped with chassis 120168-D, VHF tuner 470696 and picture tube 17LP4. Typo in tube parts list, tube V18 : 6BQ7GT has to be 6BQ6GT.
- Mentioned in
- Photofact Folder, Howard W. SAMS (Set 211, folder 1, dated 8-53)
- Literature/Schematics (1)
- Photofact Folder, Howard W. SAMS (Set 190, folder 2, dated 1-53)
- Literature/Schematics (2)
- Photofact Folder, Howard W. SAMS (set 195, folder 1, dated 2-53)
- Author
- Model page created by Dirk Taekels. See "Data change" for further contributors.
- Other Models
-
Here you find 2101 models, 1156 with images and 1659 with schematics for wireless sets etc. In French: TSF for Télégraphie sans fil.
All listed radios etc. from Emerson Radio & Phonograph Corp.; New York, NY