- Pays
- Royaume Uni
- Fabricant / Marque
- Ferguson (Brand), Ferguson Radio Corporation Ltd., British Radio Corporation Ltd.; London
- Année
- 1953 ?
- Catégorie
- Radio - ou tuner d'après la guerre 1939-45
- Radiomuseum.org ID
- 144342
-
- Brand: TRF
Cliquez sur la vignette du schéma pour le demander en tant que document gratuit.
- No. de tubes
- 5
- Principe général
- Super hétérodyne (en général); FI/IF 470 kHz; 2 Etage(s) BF
- Circuits accordés
- 6 Circuits MA (AM)
- Gammes d'ondes
- PO, GO et OC
- Particularités
- Tourne disque avec changeur
- Tension / type courant
- Appareil tous courants (CA / CC) / 200-250 Volt
- Haut-parleur
- HP dynamique à aimant permanent + bobine mobile / Ø 10 inch = 25.4 cm
- Puissance de sortie
- 6 W (qualité inconnue)
- Matière
- Boitier en bois
- De Radiomuseum.org
- Modèle: 400URG - Ferguson Brand, Ferguson Radio
- Forme
- Console de forme générique
- Remarques
- Radiogram fitted with Garrard RC75A 3 speed record changer.
- Source
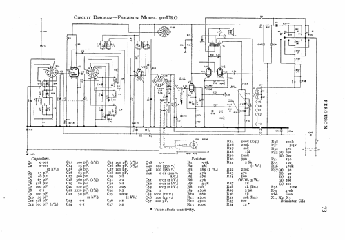
- -- Schematic
- Source du schéma
- Radio and TV Servicing books (R&TVS) book
- Schémathèque (1)
- Paul Stennings CD vol 2.
- Auteur
- Modèle crée par Keith Staines. Voir les propositions de modification pour les contributeurs supplémentaires.
- D'autres Modèles
-
Vous pourrez trouver sous ce lien 431 modèles d'appareils, 314 avec des images et 264 avec des schémas.
Tous les appareils de Ferguson (Brand), Ferguson Radio Corporation Ltd., British Radio Corporation Ltd.; London