4-A-17 Air Chief Ch= 213-7-7270
Firestone Tire & Rubber Co. (Air Chief & Roamer, Airchief); Akron (OH)
- Produttore / Marca
- Firestone Tire & Rubber Co. (Air Chief & Roamer, Airchief); Akron (OH)
- Anno
- 1948
- Categoria
- Radio (o sintonizzatore del dopoguerra WW2)
- Radiomuseum.org ID
- 40614
Clicca sulla miniatura dello schema per richiederlo come documento gratuito.
- Numero di tubi
- 7
- Principio generale
- Supereterodina (in generale); ZF/IF 455 kHz
- N. di circuiti accordati
- 6 Circuiti Mod. Amp. (AM)
- Gamme d'onda
- Solo onde medie (OM).
- Particolarità
- Giradischi o cambiadischi
- Tensioni di funzionamento
- Alimentazione a corrente alternata (CA) / 117 Volt
- Altoparlante
- AP magnetodinamico (magnete permanente e bobina mobile) / Ø 6 inch = 15.2 cm
- Potenza d'uscita
- 1.6 W (qualità ignota)
- Materiali
- Mobile in legno
- Radiomuseum.org
- Modello: 4-A-17 Air Chief Ch= 213-7-7270 - Firestone Tire & Rubber Co.
- Forma
- Soprammobile con qualsiasi forma (non saputo).
- Annotazioni
- Speaker 6x9 inch elliptical
- Fonte esterna dei dati
- Ernst Erb
- Fonte dei dati
- Collector's Guide to Antique Radios 4. Edition
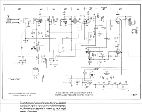
- Riferimenti schemi
- Rider's Perpetual, Volume 16 = ca. 1948 and before
- Letteratura / Schemi (1)
- Photofact Folder, Howard W. SAMS (Set 35, Date 3/48, Folder 7)
- Altri modelli
- 
        In questo link sono elencati 491 modelli, di cui 318 con immagini e 450 con schemi. 
 Elenco delle radio e altri apparecchi della Firestone Tire & Rubber Co. (Air Chief & Roamer, Airchief); Akron (OH)
 
                
                
                
                
                
                
                
                
               