4-A-64 "The Contemporary" Code 307-8-9039XC
Firestone Tire & Rubber Co. (Air Chief & Roamer, Airchief); Akron (OH)
- País
- Estados Unidos
- Fabricante / Marca
- Firestone Tire & Rubber Co. (Air Chief & Roamer, Airchief); Akron (OH)
- Año
- 1949
- Categoría
- Radio - o Sintonizador pasado WW2
- Radiomuseum.org ID
- 40637
Haga clic en la miniatura esquemática para solicitarlo como documento gratuito.
- Numero de valvulas
- 9
- Principio principal
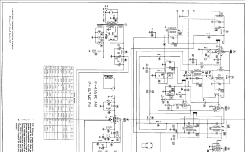
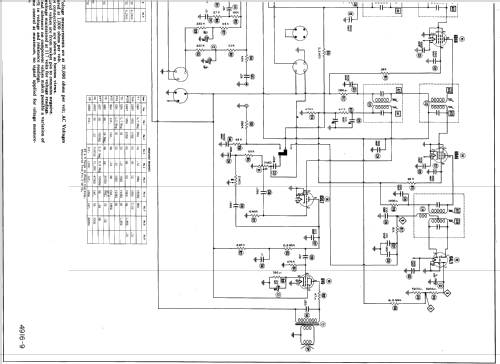
- Superheterodino con paso previo de RF; ZF/IF 455/10700 kHz
- Número de circuitos sintonía
- 7 Circuíto(s) AM 9 Circuíto(s) FM
- Gama de ondas
- OM y FM
- Especialidades
- Tocadiscos con cambiador autom.
- Tensión de funcionamiento
- Red: Corriente alterna (CA, Inglés = AC) / 110 - 120 Volt
- Altavoz
- Altavoz dinámico (de imán permanente) / Ø 12 inch = 30.5 cm
- Potencia de salida
- 2.8 W (unknown quality)
- Material
- Madera
- de Radiomuseum.org
- Modelo: 4-A-64 "The Contemporary" Code 307-8-9039XC - Firestone Tire & Rubber Co.
- Forma
- Consola en general
- Anotaciones
- Record Changer VM-506569.
- Ext. procedencia de los datos
- Ernst Erb
- Procedencia de los datos
- Collector's Guide to Antique Radios 4. Edition
- Referencia esquema
- Rider's Perpetual, Volume 19 = 1949 and before
- Documentación / Esquemas (1)
- Photofact Folder, Howard W. SAMS (Date 8-49, Set 68, Folder 9)
- Otros modelos
- 
        Donde encontrará 491 modelos, 318 con imágenes y 450 con esquemas. 
 Ir al listado general de Firestone Tire & Rubber Co. (Air Chief & Roamer, Airchief); Akron (OH)
 
                
                
                
                
                
                
                
                
                
                
                
                
                
                
                
                
                
                
               