FM-AM Tuner 100-R
Fisher Radio; New York (NY)
- Land
- USA
- Hersteller / Marke
- Fisher Radio; New York (NY)
- Jahr
- 1960 ?
- Kategorie
- Rundfunkempfänger (Radio - oder Tuner nach WW2)
- Radiomuseum.org ID
- 135912
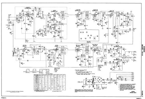
Klicken Sie auf den Schaltplanausschnitt, um diesen kostenlos als Dokument anzufordern.
- Anzahl Röhren
- 10
- Hauptprinzip
- Super mit HF-Vorstufe
- Wellenbereiche
- Mittelwelle und UKW (FM).
- Betriebsart / Volt
- Wechselstromspeisung / 105 - 120 Volt
- Lautsprecher
- - Für Kopfhörer oder NF-Verstärker
- Material
- Metallausführung
- von Radiomuseum.org
- Modell: FM-AM Tuner 100-R - Fisher Radio; New York NY
- Form
- Chassis - Einbaugerät
- Bemerkung
-
Tuner with independent AM and FM sections for "Simulcast" AM-FM-Stereo.
- Literatur/Schema (1)
- Photofact Folder, Howard W. SAMS (Set 556 folder 7 date 11-61)
- Autor
- Modellseite von Peter Hoddow angelegt. Siehe bei "Änderungsvorschlag" für weitere Mitarbeit.
- Weitere Modelle
-
Hier finden Sie 593 Modelle, davon 506 mit Bildern und 205 mit Schaltbildern.
Alle gelisteten Radios usw. von Fisher Radio; New York (NY)