- Produttore / Marca
- Freed-Eisemann Radio Corp.; New York, NY
- Anno
- 1946/1947 ?
- Categoria
- Radio (o sintonizzatore del dopoguerra WW2)
- Radiomuseum.org ID
- 126174
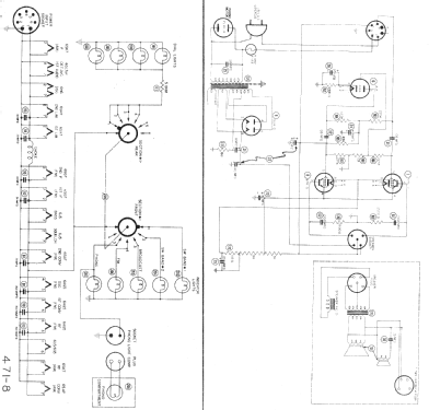
Clicca sulla miniatura dello schema per richiederlo come documento gratuito.
- Numero di tubi
- 20
- Valvole
- 6SK7 6SA7 6SK7 6SL7GT 6U5 6J5GT 6J5GT 6AG5 6AG5 6AG5 6SA7 6SG7 6SG7 6SH7 6SH7 6H6 6J5GT 6Y6GT 6Y6GT 5U4G
- Principio generale
- Supereterodina con stadio RF; ZF/IF 455/4300/10700 kHz
- Gamme d'onda
- Onde medie (OM) e MF (FM).
- Particolarità
- Cambiadischi
- Tensioni di funzionamento
- Alimentazione a corrente alternata (CA) / 110 Volt
- Altoparlante
- AP din.(bobina mobile) - elettrodinamico o a magnete permanente (?).
- Materiali
- Mobile in legno
- Radiomuseum.org
- Modello: 46 - Freed-Eisemann Radio Corp.;
- Forma
- Console di qualsiasi tipo
- Annotazioni
- The model 46 is an AC Operated Multiband Superheterodyne Receiver for AM & FM Operation with Automatic Phonograph.
- Bibliografia
- Collector's Guide to Antique Radios (7th Edition) (page 111)
- Letteratura / Schemi (1)
- Photofact Folder, Howard W. SAMS (Date: Jan 1947, Set 11, Folder 471-8)
- Autore
- Modello inviato da Götz Linss † 27.06.21. Utilizzare "Proponi modifica" per inviare ulteriori dati.
- Altri modelli
-
In questo link sono elencati 205 modelli, di cui 106 con immagini e 128 con schemi.
Elenco delle radio e altri apparecchi della Freed-Eisemann Radio Corp.; New York, NY