- Produttore / Marca
- Gamble-Skogmo, Inc.; Minneapolis, MN
- Anno
- 1941 ??
- Categoria
- Radio (o sintonizzatore del dopoguerra WW2)
- Radiomuseum.org ID
- 120313
-
- Brand: Coronado
Clicca sulla miniatura dello schema per richiederlo come documento gratuito.
- Numero di tubi
- 6
- Principio generale
- Supereterodina (in generale); ZF/IF 456 kHz
- Gamme d'onda
- Solo onde medie (OM).
- Tensioni di funzionamento
- Rete / Batterie (ogni tipo) / 117 ; 90 & 9 Volt
- Altoparlante
- AP magnetodinamico (magnete permanente e bobina mobile) / Ø 6 inch = 15.2 cm
- Radiomuseum.org
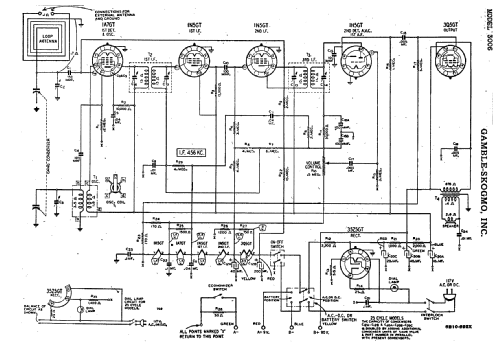
- Modello: 3006 - Gamble-Skogmo, Inc.;
- Annotazioni
- Line supply is AC/DC. Built in loop antenna.
- Riferimenti schemi
- Rider's Perpetual, Volume 13 = 1942 and before
- Autore
- Modello inviato da Dirk Taekels. Utilizzare "Proponi modifica" per inviare ulteriori dati.
- Altri modelli
-
In questo link sono elencati 717 modelli, di cui 336 con immagini e 641 con schemi.
Elenco delle radio e altri apparecchi della Gamble-Skogmo, Inc.; Minneapolis, MN