- Land
- USA
- Hersteller / Marke
- Garod Radio Corp.; Brooklyn (NY)
- Jahr
- 1936
- Kategorie
- Rundfunkempfänger (Radio - oder Tuner nach WW2)
- Radiomuseum.org ID
- 41736
Klicken Sie auf den Schaltplanausschnitt, um diesen kostenlos als Dokument anzufordern.
- Anzahl Röhren
- 9
- Hauptprinzip
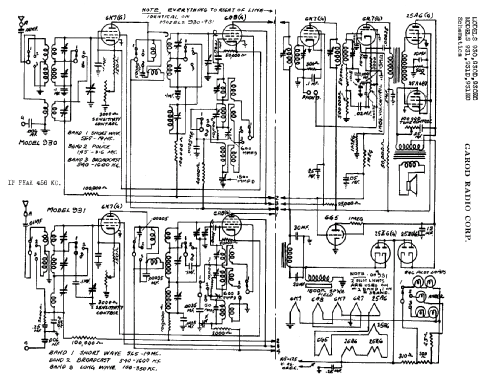
- Super mit HF-Vorstufe; ZF/IF 456 kHz
- Wellenbereiche
- Mittelwelle, Kurzwelle und Tropenband.
- Betriebsart / Volt
- Allstromgerät / 105-125 Volt
- Lautsprecher
- Dynamischer LS, mit Erregerspule (elektrodynamisch)
- Material
- Gerät mit Holzgehäuse
- von Radiomuseum.org
- Modell: 930 - Garod Radio Corp.; Brooklyn NY
- Form
- Tischmodell, Zusatz nicht bekannt - allgemein.
- Datenherkunft extern
- Ernst Erb
- Schaltungsnachweis
- Rider's Perpetual, Volume 8 = 1937 and before
- Weitere Modelle
-
Hier finden Sie 380 Modelle, davon 100 mit Bildern und 345 mit Schaltbildern.
Alle gelisteten Radios usw. von Garod Radio Corp.; Brooklyn (NY)