- Pays
- Etats-Unis
- Fabricant / Marque
- Garod Radio Corp.; Brooklyn (NY)
- Année
- 1937 ??
- Catégorie
- Radio - ou tuner d'après la guerre 1939-45
- Radiomuseum.org ID
- 41743
Cliquez sur la vignette du schéma pour le demander en tant que document gratuit.
- No. de tubes
- 9
- Principe général
- Super hétérodyne avec étage HF; FI/IF 456 kHz
- Gammes d'ondes
- PO, GO et OC
- Tension / type courant
- Appareil tous courants (CA / CC) / 105-125 Volt
- Haut-parleur
- HP dynamique à électro-aimant (électrodynamique)
- De Radiomuseum.org
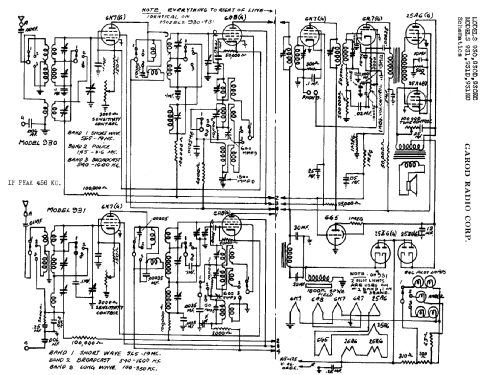
- Modèle: 931KC - Garod Radio Corp.; Brooklyn NY
- Source extérieure
- Ernst Erb
- Source du schéma
- Rider's Perpetual, Volume 8 = 1937 and before
- D'autres Modèles
-
Vous pourrez trouver sous ce lien 380 modèles d'appareils, 100 avec des images et 345 avec des schémas.
Tous les appareils de Garod Radio Corp.; Brooklyn (NY)