- País
- Gran Bretaña (GB)
- Fabricante / Marca
- GEC, General Electric Co Ltd., GENALEX; London
- Año
- 1967 ?
- Categoría
- Radio - o Sintonizador pasado WW2
- Radiomuseum.org ID
- 180919
-
- Brand: Gecophone
Haga clic en la miniatura esquemática para solicitarlo como documento gratuito.
- Numero de transistores
- 17
- Semiconductores
- AF178 AF115 AF115 AF116 AF116 BC107 BC107 OC44 OC44 AC127 AC127 AC176 AC176 AD161 AD161 AD162 AD162
- Principio principal
- Superheterodino en general; ZF/IF 470/10700 kHz; 5 Etapas de AF
- Número de circuitos sintonía
- 7 Circuíto(s) AM 9 Circuíto(s) FM
- Gama de ondas
- OM, OL, OC y FM
- Especialidades
- Tocadiscos con cambiador autom.
- Tensión de funcionamiento
- Red: Corriente alterna (CA, Inglés = AC) / 200-250 Volt
- Altavoz
- 4 Altavoces
- Potencia de salida
- 7 W (unknown quality)
- de Radiomuseum.org
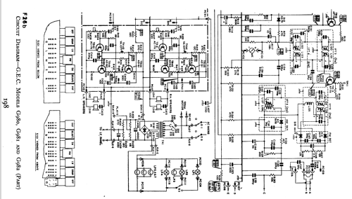
- Modelo: G981 - GEC, General Electric Co Ltd.,
- Anotaciones
- Stereo radiogram (mono radio) fitted with a Garrard type 3000 four-speed auto-changer unit, & Sonotone 9TA ceramic cartridge. Same chassis as model G980.
- Procedencia de los datos
- -- Schematic
- Documentación / Esquemas (1)
- Radio And Television Servicing books (R&TVS)
- Autor
- Modelo creado por Keith Staines. Ver en "Modificar Ficha" los participantes posteriores.
- Otros modelos
-
Donde encontrará 444 modelos, 288 con imágenes y 237 con esquemas.
Ir al listado general de GEC, General Electric Co Ltd., GENALEX; London