Sound-Level Meter 1565-A
General Radio Company; Cambridge (MA)
- Land
- USA
- Hersteller / Marke
- General Radio Company; Cambridge (MA)
- Jahr
- 1960 ??
- Kategorie
- Service- oder Labor-Ausrüstung
- Radiomuseum.org ID
- 251226
-
- anderer Name: GenRad
Klicken Sie auf den Schaltplanausschnitt, um diesen kostenlos als Dokument anzufordern.
- Anzahl Transistoren
- Halbleiter vorhanden.
- Halbleiter
- Hauptprinzip
- NF-Verstärkung
- Wellenbereiche
- - ohne
- Betriebsart / Volt
- Trockenbatterien / 1.5 Volt
- Lautsprecher
- - - Kein Ausgang für Schallwiedergabe.
- Material
- Metallausführung
- von Radiomuseum.org
- Modell: Sound-Level Meter 1565-A - General Radio Company;
- Abmessungen (BHT)
- 75 x 170 x 0 mm / 3 x 6.7 x 0 inch
- Bemerkung
-
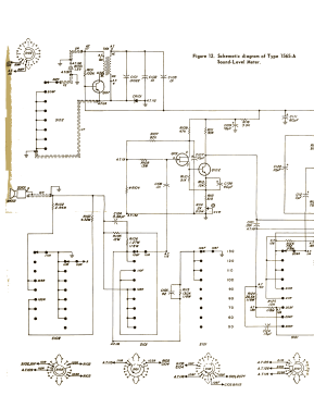
The General Radio 1565-A is a general-purpose sound-level meter. Uses Qty(1) 1.5V "C" battery.
Operating manual can be found HERE
- Autor
- Modellseite von Aglef Tröger angelegt. Siehe bei "Änderungsvorschlag" für weitere Mitarbeit.
- Weitere Modelle
-
Hier finden Sie 244 Modelle, davon 216 mit Bildern und 131 mit Schaltbildern.
Alle gelisteten Radios usw. von General Radio Company; Cambridge (MA)