- Produttore / Marca
- General Television and Radio Corp.; Chicago, IL
- Anno
- 1946 ??
- Categoria
- Radio (o sintonizzatore del dopoguerra WW2)
- Radiomuseum.org ID
- 42950
-
- Brand: General
Clicca sulla miniatura dello schema per richiederlo come documento gratuito.
- Numero di tubi
- 5
- Principio generale
- Supereterodina (in generale); ZF/IF 456 kHz
- N. di circuiti accordati
- 6 Circuiti Mod. Amp. (AM)
- Gamme d'onda
- Solo onde medie (OM).
- Tensioni di funzionamento
- Rete / Batterie (ogni tipo) / AC-DC=105-120 / Batt=9 & 90 Volt
- Altoparlante
- AP magnetodinamico (magnete permanente e bobina mobile) / Ø 5 inch = 12.7 cm
- Materiali
- Pelle / stoffa / plastica ma con altro materiale sottostante
- Radiomuseum.org
- Modello: 536 - General Television and Radio
- Forma
- Apparecchio portatile > 20 cm (senza la necessità di una rete)
- Dimensioni (LxAxP)
- 12 x 8 x 5 inch / 305 x 203 x 127 mm
- Annotazioni
-
Built-in loop antenna.
- Peso netto
- 5 lb 8 oz (5.5 lb) / 2.497 kg
- Fonte esterna dei dati
- Ernst Erb
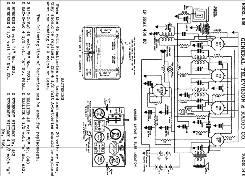
- Riferimenti schemi
- Rider's Perpetual, Volume 14 = 1944 = before 1943
- Letteratura / Schemi (1)
- Rider's Perpetual, Volume 14 = covering up to late 1942 (C=1944) (Page 14-8)
- Altri modelli
-
In questo link sono elencati 106 modelli, di cui 47 con immagini e 70 con schemi.
Elenco delle radio e altri apparecchi della General Television and Radio Corp.; Chicago, IL