21T055 Ch= U line
General Electric Co. (GE); Bridgeport CT, Syracuse NY
- Pays
- Etats-Unis
- Fabricant / Marque
- General Electric Co. (GE); Bridgeport CT, Syracuse NY
- Année
- 1956 ?
- Catégorie
- Récepteur de télévision ou moniteur
- Radiomuseum.org ID
- 263412
-
- Brand: Musaphonic
Cliquez sur la vignette du schéma pour le demander en tant que document gratuit.
- No. de tubes
- 17
- Lampes / Tubes
- 6BQ7A or 6BS8 6U8 6CF6 6CF6 6CB6 6AU8 6AU6 6T8 6AS5 6BY6 6BL7GT 6CG7 6BQ6GA 6AX4GT 1B3GT 5U4GA or 5U4GB 21ATP4A or 21ATP4
- Principe général
- Super hétérodyne avec étage HF
- Gammes d'ondes
- VHF/UHF (voir details en note)
- Tension / type courant
- Alimentation Courant Alternatif (CA) / 60 cycles, 110-120 Volt
- Haut-parleur
- HP dynamique à aimant permanent + bobine mobile / Ø 8 inch = 20.3 cm
- De Radiomuseum.org
- Modèle: 21T055 Ch= U line - General Electric Co. GE;
- Forme
- Modèle de table générique
- Remarques
-
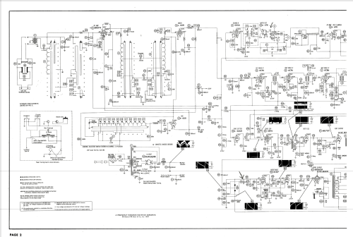
The General Electric model 21T055 is a 21" b/w TV with US standard VHF Tuner channels 2 thru 13, 14 thru 83 UHF. Equipped with chassis U line and picture tube 21ATP4A .
- Schémathèque (1)
- Photofact Folder, Howard W. SAMS (Set 344 Folder 7 date 1 - 57)
- Auteur
- Modèle crée par Dirk Taekels. Voir les propositions de modification pour les contributeurs supplémentaires.
- D'autres Modèles
-
Vous pourrez trouver sous ce lien 2962 modèles d'appareils, 2174 avec des images et 2074 avec des schémas.
Tous les appareils de General Electric Co. (GE); Bridgeport CT, Syracuse NY