21T32 Ch= "N" Line
General Electric Co. (GE); Bridgeport CT, Syracuse NY
- Produttore / Marca
- General Electric Co. (GE); Bridgeport CT, Syracuse NY
- Anno
- 1955 ?
- Categoria
- Televisore (TV) / Monitor
- Radiomuseum.org ID
- 129747
-
- Brand: Musaphonic
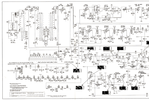
Clicca sulla miniatura dello schema per richiederlo come documento gratuito.
- Numero di tubi
- 15
- Principio generale
- Supereterodina con stadio RF
- Gamme d'onda
- VHF/UHF (ved. i dettagli nelle note)
- Tensioni di funzionamento
- Alimentazione a corrente alternata (CA) / 60 Hz, 117V = 110 -120 Volt
- Altoparlante
- AP magnetodinamico (magnete permanente e bobina mobile) / Ø 4 inch = 10.2 cm
- Potenza d'uscita
- 0.9 W (1.5 W max.)
- Materiali
- Mobile di metallo
- Radiomuseum.org
- Modello: 21T32 Ch= "N" Line - General Electric Co. GE;
- Forma
- Soprammobile basso, con andamento orizzontale (grosse dimensioni).
- Annotazioni
-
The General Electric 21T32 is a 21" b/w TV with US standard VHF tuner channels 2 thru 13. Has Qty(1) Selenium Rectifier and Qty(1) Germanium Diode. Equipped with VHF tuner RJX-071/075 or RJX-076 and picture tube 21YP4. "Pacers" series, cabinet is Brown cordovan finish.
- Fonte dei dati
- -- Original prospect or advert
- Letteratura / Schemi (1)
- - - Manufacturers Literature (General Electric Datasheet ER-S-N55)
- Letteratura / Schemi (2)
- Photofact Folder, Howard W. SAMS (Set 297 Folder 2 dated 11-55)
- Letteratura / Schemi (3)
- Photofact Folder, Howard W. SAMS (Set 313 Folder 1 dated 4-56)
- Autore
- Modello inviato da un iscritto da A. Utilizzare "Proponi modifica" per inviare ulteriori dati.
- Altri modelli
-
In questo link sono elencati 2958 modelli, di cui 2173 con immagini e 2070 con schemi.
Elenco delle radio e altri apparecchi della General Electric Co. (GE); Bridgeport CT, Syracuse NY