- Country
- United States of America (USA)
- Manufacturer / Brand
- General Electric Co. (GE); Bridgeport CT, Syracuse NY
- Year
- 1951 ?
- Category
- Television Receiver (TV) or Monitor
- Radiomuseum.org ID
- 348620
-
- Brand: Musaphonic
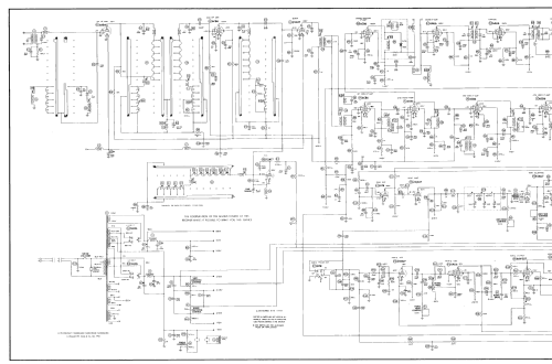
Click on the schematic thumbnail to request the schematic as a free document.
- Number of Tubes
- 29
- Valves / Tubes
- 6AB4 6CB6 12AT7 6CB6 6CB6 6CB6 6CB6 6AG7 6AU6 6CB6 6AU6 6AU6 6AL5 12AX7 6W6GT 6W6GT 6T8 12AU7 12AU7 6BL7 6AU6 6AV5GT 6AV5GT 6W4GT 6W4GT 1B3GT 5U4G 5U4G 24AP4
- Main principle
- Superhet with RF-stage
- Wave bands
- Wave Bands given in the notes.
- Power type and voltage
- Alternating Current supply (AC) / 60 Hz, 117 V = 110 -120 Volt
- Loudspeaker
- Permanent Magnet Dynamic (PDyn) Loudspeaker (moving coil)
- Material
- Wooden case
- from Radiomuseum.org
- Model: 24C101 - General Electric Co. GE;
- Shape
- Console with any shape - in general
- Notes
-
General Electric model 24C101 is a 21” b/w TV with US standard VHF tuner channels 2 thru 13. Equipped with a VHF tuner and picture tube 24AP4.
- Literature/Schematics (1)
- Photofact Folder, Howard W. SAMS (Set 137, folder 1A, dated 1951)
- Literature/Schematics (2)
- Photofact Folder, Howard W. SAMS (Set 152, folder 8, dated 11-51)
- Author
- Model page created by Dirk Taekels. See "Data change" for further contributors.
- Other Models
-
Here you find 2962 models, 2174 with images and 2074 with schematics for wireless sets etc. In French: TSF for Télégraphie sans fil.
All listed radios etc. from General Electric Co. (GE); Bridgeport CT, Syracuse NY