- Country
- United States of America (USA)
- Manufacturer / Brand
- General Electric Co. (GE); Bridgeport CT, Syracuse NY
- Year
- 1955 ?
- Category
- Broadcast Receiver - or past WW2 Tuner
- Radiomuseum.org ID
- 81594
-
- Brand: Musaphonic
Click on the schematic thumbnail to request the schematic as a free document.
- Number of Tubes
- 6
- Main principle
- Superhet with RF-stage; ZF/IF 455 kHz; 2 AF stage(s)
- Tuned circuits
- 6 AM circuit(s)
- Wave bands
- Broadcast only (MW).
- Power type and voltage
- AC/DC-set / 117V = 110 -120 Volt
- Loudspeaker
- Permanent Magnet Dynamic (PDyn) Loudspeaker (moving coil) / Ø 4 inch = 10.2 cm
- Power out
- 0.75 W (unknown quality)
- Material
- Plastics (no bakelite or catalin)
- from Radiomuseum.org
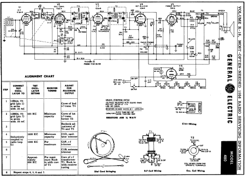
- Model: 480 - General Electric Co. GE;
- Shape
- Tablemodel with Clock ((Alarm-) Clock Radio).
- Dimensions (WHD)
- 14.25 x 7.625 x 7 inch / 362 x 194 x 178 mm
- Notes
-
General Elecrtic model 480 is an AC-DC operated AM superheterodyne receiver .
- Circuit diagram reference
- Beitman Radio Diagrams Vol. 16, 1956
- Literature/Schematics (1)
- Photofact Folder, Howard W. SAMS (Date 12-55, Set 300, Folder 5)
- Literature/Schematics (2)
- - - Manufacturers Literature
- Author
- Model page created by Egon Penker. See "Data change" for further contributors.
- Other Models
-
Here you find 2958 models, 2173 with images and 2070 with schematics for wireless sets etc. In French: TSF for Télégraphie sans fil.
All listed radios etc. from General Electric Co. (GE); Bridgeport CT, Syracuse NY