Grunow 1185 Teledial Ch= 11-H
General Household Utilities Co. (Grunow); Chicago Ill.
- Land
- USA
- Hersteller / Marke
- General Household Utilities Co. (Grunow); Chicago Ill.
- Jahr
- 1937/1938

- Kategorie
- Rundfunkempfänger (Radio - oder Tuner nach WW2)
- Radiomuseum.org ID
- 42660
-
- Marke: Grunow (trade name)
Klicken Sie auf den Schaltplanausschnitt, um diesen kostenlos als Dokument anzufordern.
- Anzahl Röhren
- 11
- Hauptprinzip
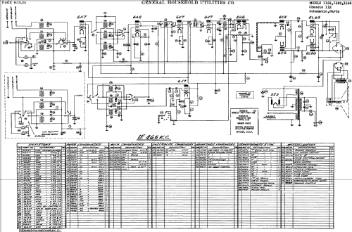
- Super mit HF-Vorstufe; ZF/IF 465 kHz
- Wellenbereiche
- Mittelwelle und 2 x Kurzwellen.
- Betriebsart / Volt
- Wechselstromspeisung / 115 Volt
- Lautsprecher
- Dynamischer LS, mit Erregerspule (elektrodynamisch)
- Material
- Gerät mit Holzgehäuse
- von Radiomuseum.org
- Modell: Grunow 1185 Teledial Ch= 11-H - General Household Utilities Co
- Form
- Standgerät: allgemein.
- Abmessungen (BHT)
- 28.25 x 42.75 x 14.875 inch / 718 x 1086 x 378 mm
- Bemerkung
-
Teledial. See this article containing Teledial models. Also Teledial models of other brands are covered. In particular the nine 1936/37 Grunow models presented in "Radio Retailing", March 1937, are linked.
- Datenherkunft extern
- Ernst Erb
- Schaltungsnachweis
- Rider's Perpetual, Volume 9 = 1938 and before
- Literaturnachweis
- Pre-War Consoles
- Literatur/Schema (1)
- Radio Retailing (Radio & Television R.) (June 1937.)
- Literatur/Schema (3)
- The Grunow Folder for 1938.
- Weitere Modelle
-
Hier finden Sie 138 Modelle, davon 100 mit Bildern und 126 mit Schaltbildern.
Alle gelisteten Radios usw. von General Household Utilities Co. (Grunow); Chicago Ill.